专利数据库
统计分析
产业报告
专利数据监控
产业人才
行业动态
产业政策法规
维权援助
个人中心
详情
文本
图像
标题
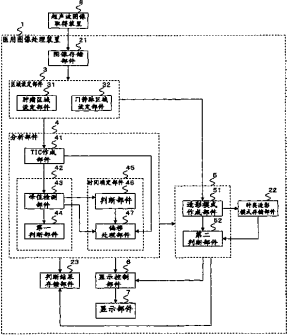
医用图像处理装置和超声波图像取得装置
授权日
1900-01-01
公开(公告)号
CN101779968A
申请日
2010-01-07
公开(公告)日
2010-07-21
当前申请(专利权)人
东芝医疗系统株式会社
发明人
佐藤俊介 | 山形仁
简单同族
CN101779968A | CN101779968B | JP2010158360A | JP5455379B2 | US20100172562A1 | US8520927
简单同族成员数量
6
简单同族被引用专利总数
40
诉讼案件数
0
法律状态/事件
未缴年费 | 权利转移
抱歉,您的浏览器不支持PDF预览,请点击链接下载PDF文件