专利数据库
统计分析
产业报告
专利数据监控
产业人才
行业动态
产业政策法规
维权援助
个人中心
详情
文本
图像
标题
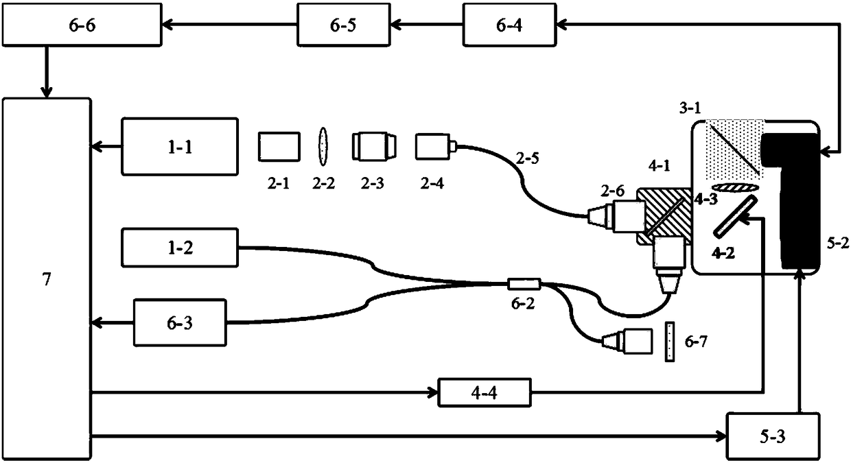
多模态光学成像系统
授权日
1900-01-01
公开(公告)号
CN107713994A
申请日
2017-11-14
公开(公告)日
2018-02-23
当前申请(专利权)人
电子科技大学
发明人
奚磊 | 金天 | 秦伟 | 姚磊
简单同族
CN107713994A
简单同族成员数量
1
简单同族被引用专利总数
0
诉讼案件数
0
法律状态/事件
实质审查
抱歉,您的浏览器不支持PDF预览,请点击链接下载PDF文件