专利数据库
统计分析
产业报告
专利数据监控
产业人才
行业动态
产业政策法规
维权援助
个人中心
详情
文本
图像
标题
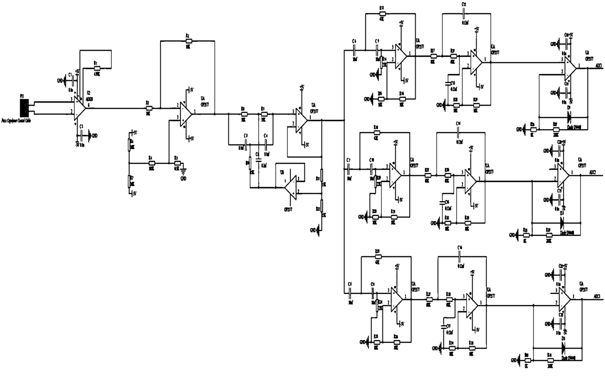
一种基于压电传感器的打鼾监测器及监测方法
授权日
1900-01-01
公开(公告)号
CN107518872A
申请日
2016-06-20
公开(公告)日
2017-12-29
当前申请(专利权)人
深圳市量子慧智科技有限公司
发明人
曾平桂 | 周智华 | 陈龙昌 | 谢瑞芳 | 程小明
简单同族
CN107518872A
简单同族成员数量
1
简单同族被引用专利总数
0
诉讼案件数
0
法律状态/事件
实质审查
抱歉,您的浏览器不支持PDF预览,请点击链接下载PDF文件