专利数据库
统计分析
产业报告
专利数据监控
产业人才
行业动态
产业政策法规
维权援助
个人中心
详情
文本
图像
标题
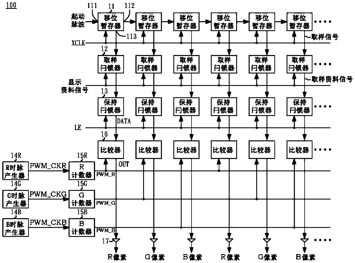
微发光二极管显示器的资料驱动器
授权日
2019-10-01
公开(公告)号
CN108022551B
申请日
2017-09-30
公开(公告)日
2019-10-01
当前申请(专利权)人
启端光电股份有限公司
发明人
吴炳升 | 陈发明
简单同族
CN108022551A | CN108022551B | US10290255 | US20180122286A1
简单同族成员数量
4
简单同族被引用专利总数
2
诉讼案件数
0
法律状态/事件
授权
抱歉,您的浏览器不支持PDF预览,请点击链接下载PDF文件