专利数据库
统计分析
产业报告
专利数据监控
产业人才
行业动态
产业政策法规
维权援助
个人中心
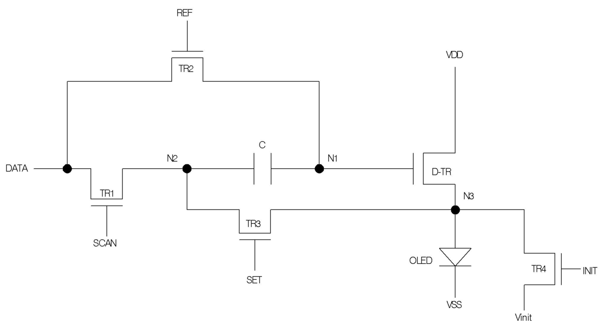
详情
文本
图像
标题
발명의 명칭 유기발광 표시장치의 휘도 편차 보상장치 및 보상방법
授权日
1900-01-01
公开(公告)号
KR1020150125419A
申请日
2014-04-30
公开(公告)日
2015-11-09
当前申请(专利权)人
네오뷰코오롱 주식회사
发明人
LEE, JUNG CHEOL
简单同族
KR1020150125419A
简单同族成员数量
1
简单同族被引用专利总数
0
诉讼案件数
0
法律状态/事件
撤回
抱歉,您的浏览器不支持PDF预览,请点击链接下载PDF文件