专利数据库
统计分析
产业报告
专利数据监控
产业人才
行业动态
产业政策法规
维权援助
个人中心
详情
文本
图像
标题
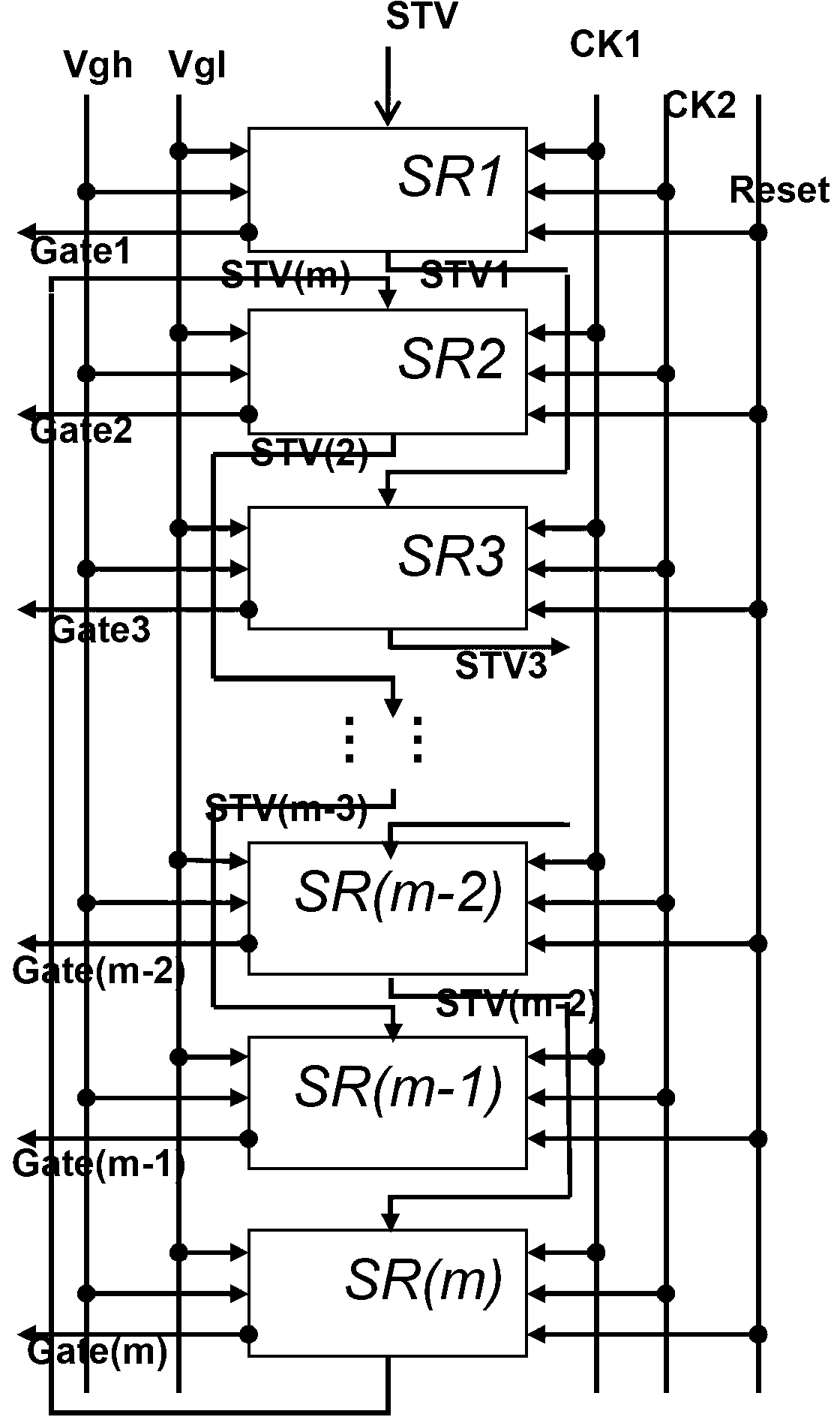
行驱动电路以及薄膜晶体管液晶显示器
授权日
2013-03-27
公开(公告)号
CN202838921U
申请日
2012-10-12
公开(公告)日
2013-03-27
当前申请(专利权)人
厦门天马微电子有限公司
发明人
周秀峰
简单同族
CN202838921U
简单同族成员数量
1
简单同族被引用专利总数
0
诉讼案件数
0
法律状态/事件
授权
抱歉,您的浏览器不支持PDF预览,请点击链接下载PDF文件