专利数据库
统计分析
产业报告
专利数据监控
产业人才
行业动态
产业政策法规
维权援助
个人中心
详情
文本
图像
标题
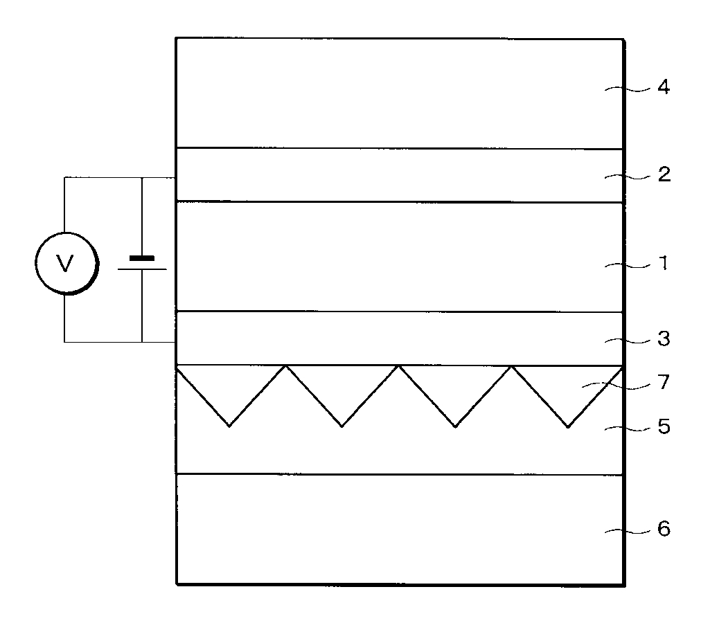
발광형 표시 소자
授权日
1900-01-01
公开(公告)号
KR1020020033417A
申请日
2001-10-17
公开(公告)日
2002-05-06
当前申请(专利权)人
샤프 가부시키가이샤
发明人
미노우라기요시 | 우에끼순 | 도미까와마사히꼬
简单同族
JP2002198184A | JP4053260B2 | KR100520340B1 | KR100706730B1 | KR1020020033417A | KR1020050071387A | TW525410B | US20020043931A1 | US20050006999A1 | US6787976 | US6898018
简单同族成员数量
11
简单同族被引用专利总数
140
诉讼案件数
0
法律状态/事件
授权
抱歉,您的浏览器不支持PDF预览,请点击链接下载PDF文件