专利数据库
统计分析
产业报告
专利数据监控
产业人才
行业动态
产业政策法规
维权援助
个人中心
详情
文本
图像
标题
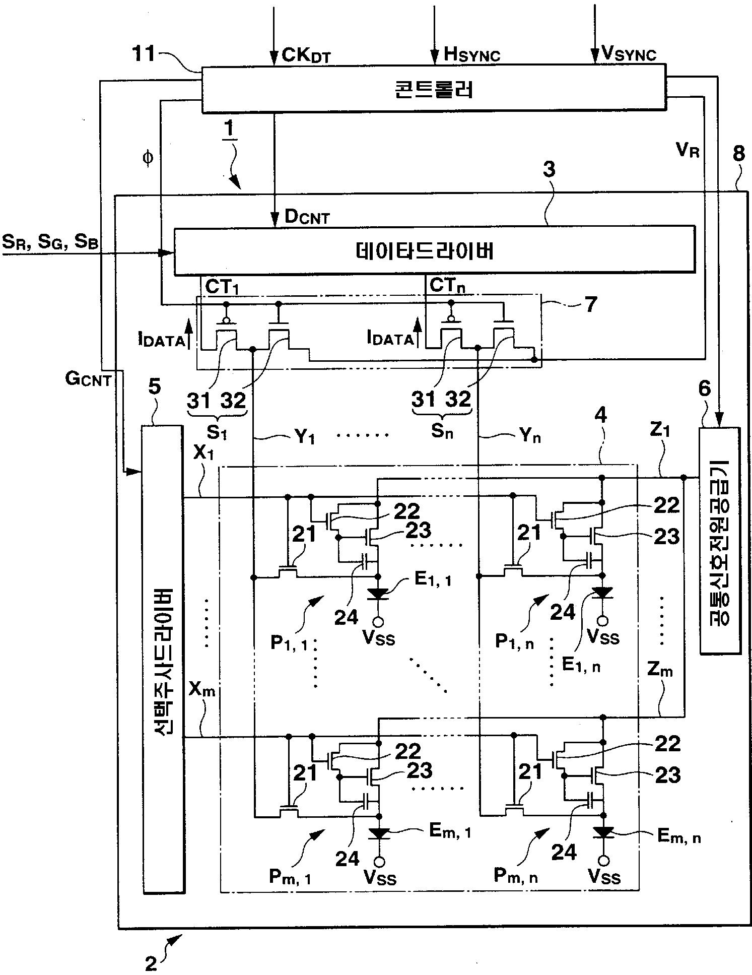
디스플레이장치 및 디스플레이장치 구동방법
授权日
2006-04-07
公开(公告)号
KR100570903B1
申请日
2003-08-22
公开(公告)日
2006-04-14
当前申请(专利权)人
가시오게산키 가부시키가이샤
发明人
야마다,히로야스 | 시라사키도모유키
简单同族
AU2003256080A1 | CA2463486A1 | CA2463486C | CN100410990C | CN1578975A | EP1532612A1 | EP1532612B1 | EP1816634A2 | EP1816634A3 | EP1816634B1 | HK1074275A | HK1074275A1 | JP2004085802A | JP4103500B2 | KR100570903B1 | KR1020040051611A | SG104016A1 | TW200405257A | TWI305338B | US20040256617A1 | US7248237 | WO2004019314A1
简单同族成员数量
22
简单同族被引用专利总数
157
诉讼案件数
0
法律状态/事件
授权 | 权利转移
抱歉,您的浏览器不支持PDF预览,请点击链接下载PDF文件