专利数据库
统计分析
产业报告
专利数据监控
产业人才
行业动态
产业政策法规
维权援助
个人中心
详情
文本
图像
标题
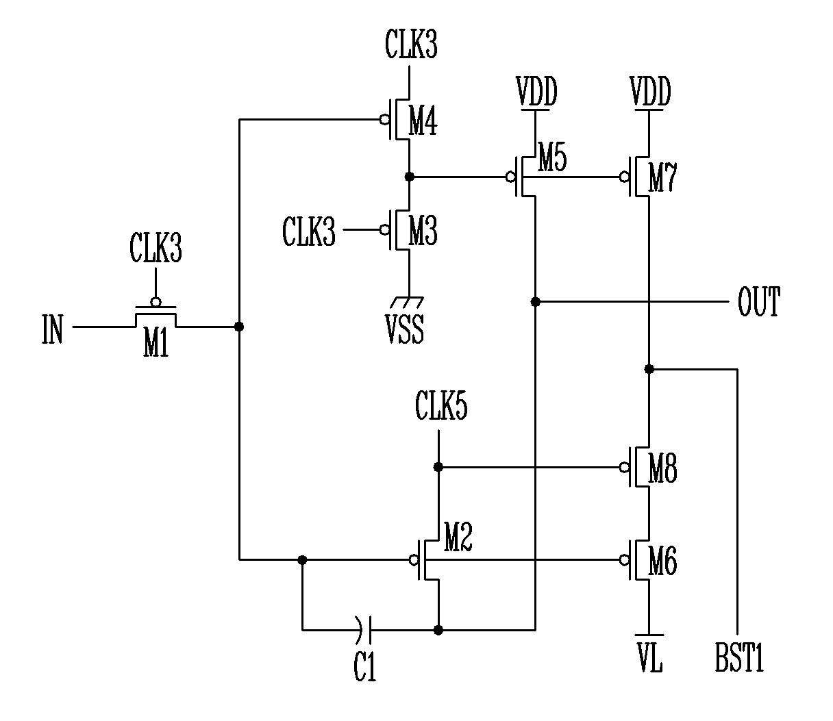
주사 구동회로와 이를 이용한 유기 전계발광 장치
授权日
2006-12-21
公开(公告)号
KR100662983B1
申请日
2005-09-30
公开(公告)日
2006-12-28
当前申请(专利权)人
삼성에스디아이 주식회사
发明人
신동용
简单同族
KR100662983B1
简单同族成员数量
1
简单同族被引用专利总数
0
诉讼案件数
0
法律状态/事件
未缴年费 | 权利转移
抱歉,您的浏览器不支持PDF预览,请点击链接下载PDF文件