专利数据库
统计分析
产业报告
专利数据监控
产业人才
行业动态
产业政策法规
维权援助
个人中心
详情
文本
图像
标题
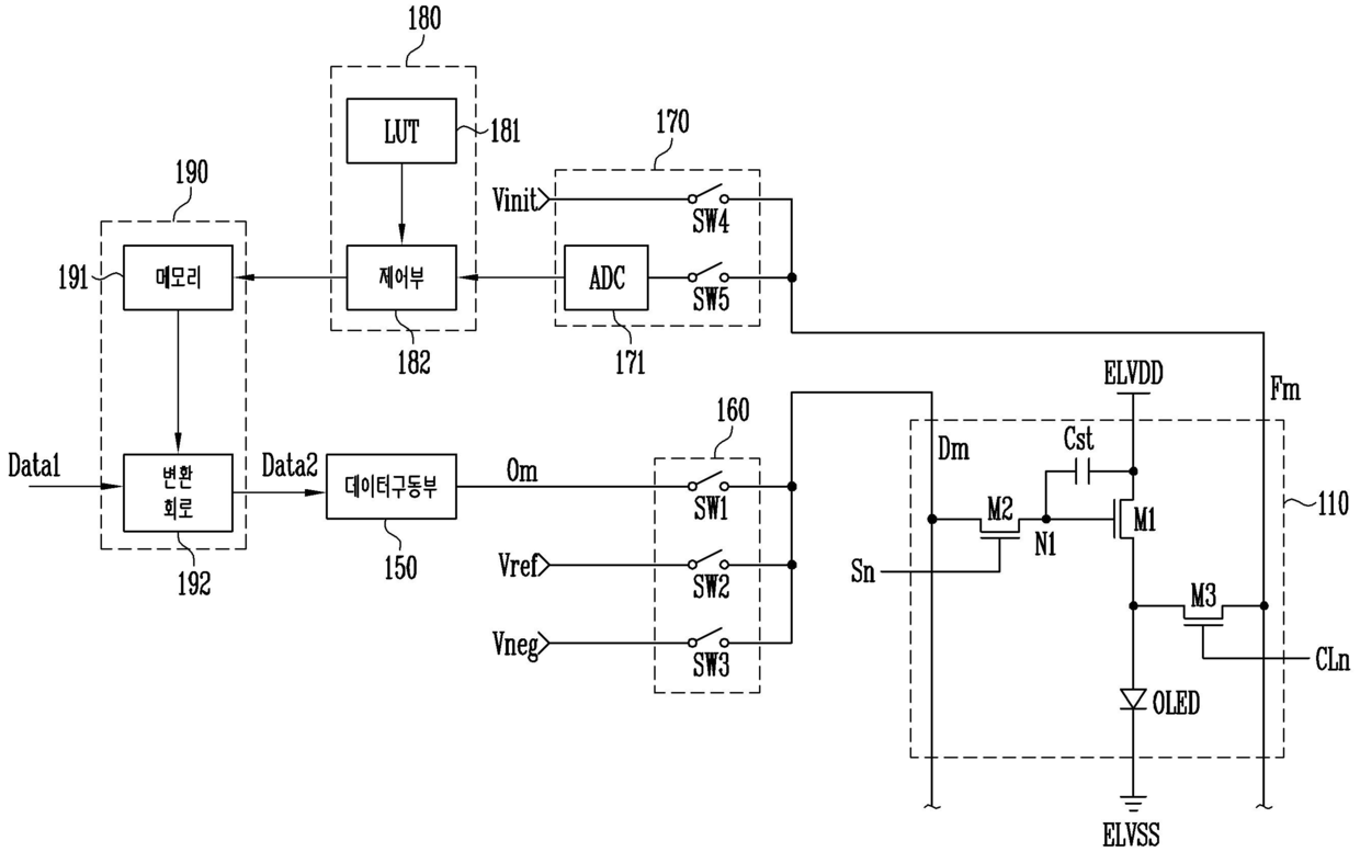
유기전계발광 표시장치
授权日
1900-01-01
公开(公告)号
KR1020110104705A
申请日
2010-03-17
公开(公告)日
2011-09-23
当前申请(专利权)人
삼성모바일디스플레이주식회사
发明人
박경태 | 정병성 | 김무겸 | 박창모
简单同族
KR101073226B1 | KR1020110104705A | US20110227505A1 | US9041633
简单同族成员数量
4
简单同族被引用专利总数
154
诉讼案件数
0
法律状态/事件
授权 | 权利转移
抱歉,您的浏览器不支持PDF预览,请点击链接下载PDF文件