专利数据库
统计分析
产业报告
专利数据监控
产业人才
行业动态
产业政策法规
维权援助
个人中心
详情
文本
图像
标题
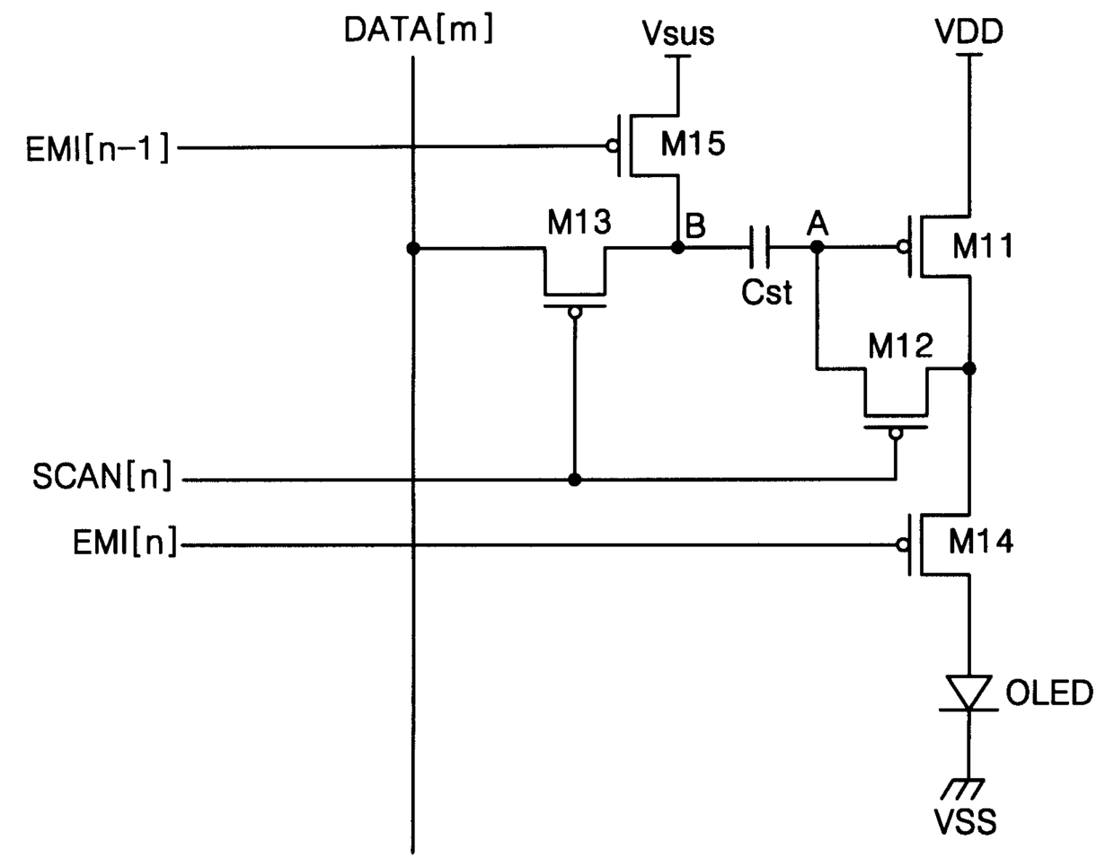
유기 전계 발광 표시장치의 화소회로 및 그의 구동방법
授权日
2006-09-07
公开(公告)号
KR100624137B1
申请日
2005-08-22
公开(公告)日
2006-09-13
当前申请(专利权)人
삼성에스디아이 주식회사
发明人
KIM YANG WAN
简单同族
KR100624137B1 | US20070040772A1 | US7978156
简单同族成员数量
3
简单同族被引用专利总数
157
诉讼案件数
0
法律状态/事件
授权 | 权利转移
抱歉,您的浏览器不支持PDF预览,请点击链接下载PDF文件