专利数据库
统计分析
产业报告
专利数据监控
产业人才
行业动态
产业政策法规
维权援助
个人中心
详情
文本
图像
标题
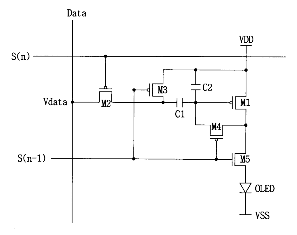
유기 전계발광 표시장치의 픽셀구동회로 및 그 구동방법
授权日
2005-09-05
公开(公告)号
KR100514183B1
申请日
2003-09-08
公开(公告)日
2005-09-13
当前申请(专利权)人
삼성에스디아이 주식회사
发明人
KIM,KUMNAM
简单同族
CN100409298C | CN1595484A | KR100514183B1 | KR1020050025510A | US20050052366A1 | US20080136753A1 | US7358938 | US8068073
简单同族成员数量
8
简单同族被引用专利总数
112
诉讼案件数
0
法律状态/事件
授权 | 权利转移
抱歉,您的浏览器不支持PDF预览,请点击链接下载PDF文件