专利数据库
统计分析
产业报告
专利数据监控
产业人才
行业动态
产业政策法规
维权援助
个人中心
详情
文本
图像
标题
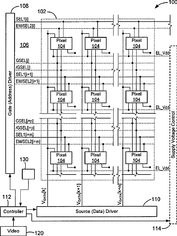
Driving system for active-matrix displays
授权日
1900-01-01
公开(公告)号
US20130201223A1
申请日
2012-02-03
公开(公告)日
2013-08-08
当前申请(专利权)人
IGNIS INNOVATION INC.
发明人
LI, KONGNING | GUPTA, VASUDHA | CHAJI, GHOLAMREZA | NATHAN, AROKIA
简单同族
CN103247259A | EP2624243A1 | EP2624243B1 | US10043448 | US10453394 | US20130201223A1 | US20150077446A1 | US20160232844A1 | US20180005577A1 | US20180315372A1 | US20200005713A1 | US8937632 | US9343006 | US9792857
简单同族成员数量
14
简单同族被引用专利总数
120
诉讼案件数
0
法律状态/事件
授权 | 权利转移
抱歉,您的浏览器不支持PDF预览,请点击链接下载PDF文件