专利数据库
统计分析
产业报告
专利数据监控
产业人才
行业动态
产业政策法规
维权援助
个人中心
详情
文本
图像
标题
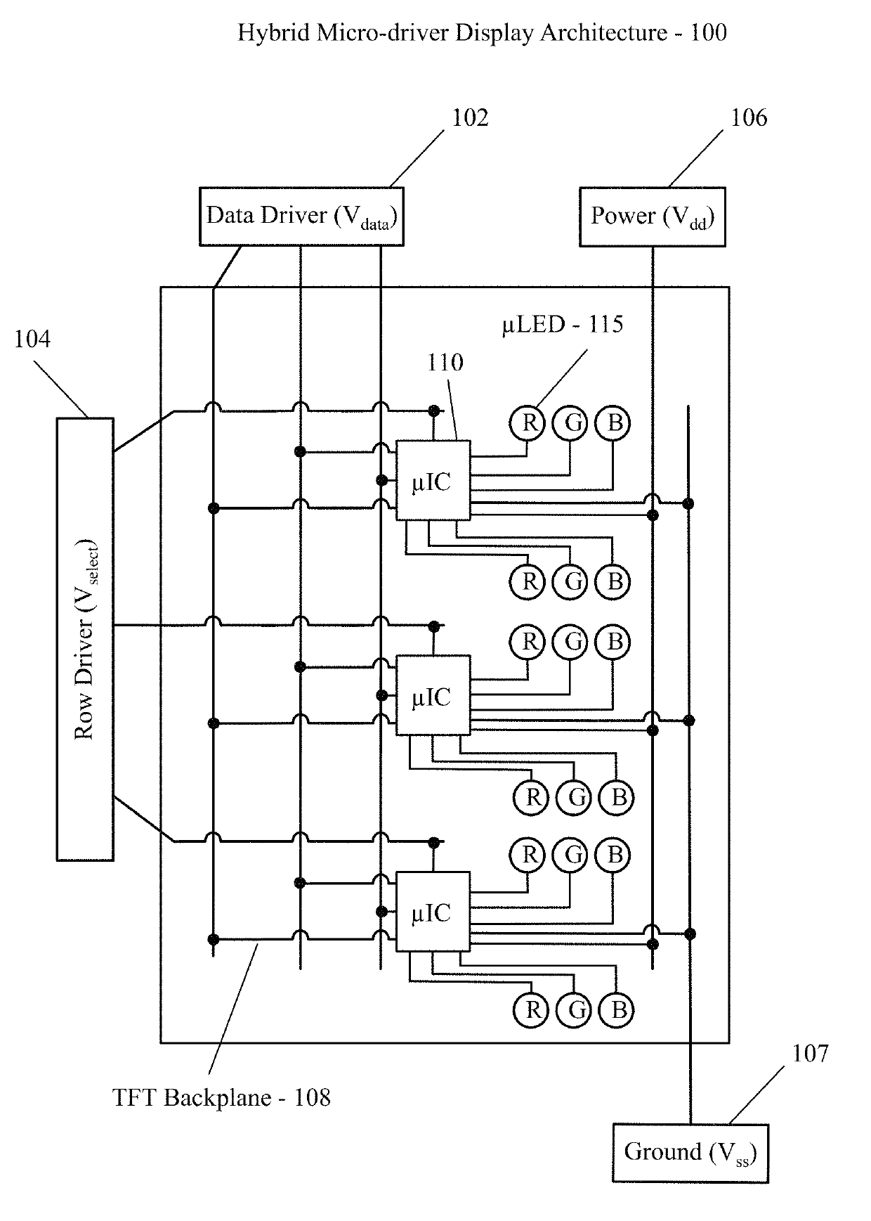
Hybrid microdriver architecture for driving microLED displays
授权日
2019-08-27
公开(公告)号
US10395590
申请日
2016-08-25
公开(公告)日
2019-08-27
当前申请(专利权)人
APPLE INC.
发明人
LIN, CHIN WEI | ONO, SHINYA | GUPTA, VASUDHA | VAHID FAR, MOHAMMAD B.
简单同族
US10395590
简单同族成员数量
1
简单同族被引用专利总数
0
诉讼案件数
0
法律状态/事件
授权 | 权利转移
抱歉,您的浏览器不支持PDF预览,请点击链接下载PDF文件