专利数据库
统计分析
产业报告
专利数据监控
产业人才
行业动态
产业政策法规
维权援助
个人中心
详情
文本
图像
标题
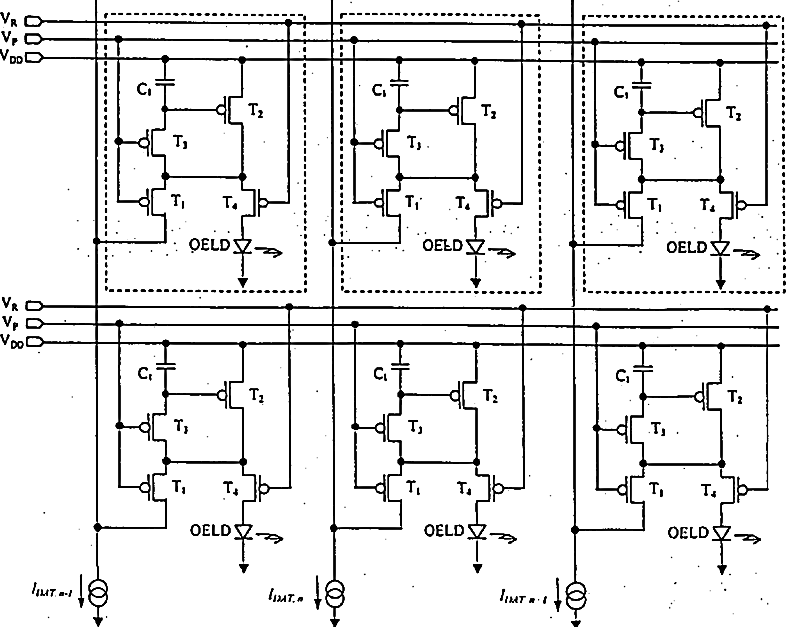
Circuit, driver circuit, organic electroluminescent display device electro-optical device, electronic apparatus, method of controlling the current supply to an organic electroluminescent pixel, and method for driving a circuit
授权日
1900-01-01
公开(公告)号
US20050024298A1
申请日
2004-05-26
公开(公告)日
2005-02-03
当前申请(专利权)人
SEIKO EPSON CORPORATION
发明人
TAM, SIMON
简单同族
AT470923T | CN100511369C | CN100511370C | CN1210684C | CN1388951A | CN1702722A | CN1702723A | CN1892774A | DE60142321D1 | EP1170718A1 | EP1170718B1 | KR100568016B1 | KR100603804B1 | KR1020020032570A | KR1020050085307A | KR1020050085309A | TW200305130A | TW200305840A | TWI292143B | TWI311739B | TWI312979B | US20020033718A1 | US20050024298A1 | US6943759 | WO2002005254A1
简单同族成员数量
25
简单同族被引用专利总数
159
诉讼案件数
0
法律状态/事件
撤回
抱歉,您的浏览器不支持PDF预览,请点击链接下载PDF文件