专利数据库
统计分析
产业报告
专利数据监控
产业人才
行业动态
产业政策法规
维权援助
个人中心
详情
文本
图像
标题
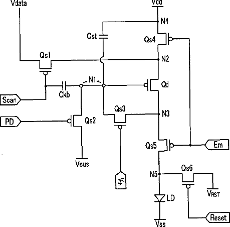
Display device and driving method thereof
授权日
2012-10-16
公开(公告)号
US8289313
申请日
2009-08-21
公开(公告)日
2012-10-16
当前申请(专利权)人
SAMSUNG DISPLAY CO., LTD.
发明人
LEE, BAEK-WOON | PARK, SEONG-IL | PARK, KYONG-TAE
简单同族
KR101499236B1 | KR1020100077649A | US20100164847A1 | US20130009942A1 | US8289313 | US8736589
简单同族成员数量
6
简单同族被引用专利总数
82
诉讼案件数
0
法律状态/事件
授权 | 权利转移
抱歉,您的浏览器不支持PDF预览,请点击链接下载PDF文件