专利数据库
统计分析
产业报告
专利数据监控
产业人才
行业动态
产业政策法规
维权援助
个人中心
详情
文本
图像
标题
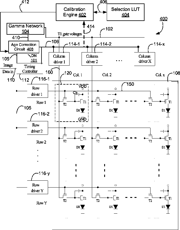
Emission control in aged active matrix OLED display using voltage ratio or current ratio with temperature compensation
授权日
2011-12-13
公开(公告)号
US8077123
申请日
2008-03-18
公开(公告)日
2011-12-13
当前申请(专利权)人
SILICONFILE TECHNOLOGIES, INC.
发明人
NAUGLER, JR., WALTER EDWARD
简单同族
US20080231558A1 | US8077123 | WO2008116011A1
简单同族成员数量
3
简单同族被引用专利总数
156
诉讼案件数
0
法律状态/事件
未缴年费 | 权利转移
抱歉,您的浏览器不支持PDF预览,请点击链接下载PDF文件