专利数据库
统计分析
产业报告
专利数据监控
产业人才
行业动态
产业政策法规
维权援助
个人中心
详情
文本
图像
标题
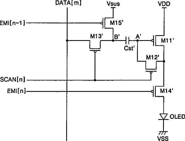
Pixel circuit of organic electroluminescent display device and method of driving the same
授权日
2011-07-12
公开(公告)号
US7978156
申请日
2006-08-15
公开(公告)日
2011-07-12
当前申请(专利权)人
SAMSUNG DISPLAY CO., LTD.
发明人
KIM, YANG-WAN
简单同族
KR100624137B1 | US20070040772A1 | US7978156
简单同族成员数量
3
简单同族被引用专利总数
157
诉讼案件数
0
法律状态/事件
授权 | 权利转移
抱歉,您的浏览器不支持PDF预览,请点击链接下载PDF文件