专利数据库
统计分析
产业报告
专利数据监控
产业人才
行业动态
产业政策法规
维权援助
个人中心
详情
文本
图像
标题
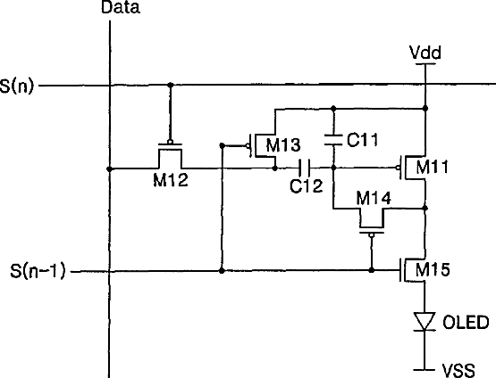
Circuit and method for driving pixel of organic electroluminescent display
授权日
2011-11-29
公开(公告)号
US8068073
申请日
2008-02-01
公开(公告)日
2011-11-29
当前申请(专利权)人
SAMSUNG DISPLAY CO., LTD.
发明人
KIM, KEUM-NAM
简单同族
CN100409298C | CN1595484A | KR100514183B1 | KR1020050025510A | US20050052366A1 | US20080136753A1 | US7358938 | US8068073
简单同族成员数量
8
简单同族被引用专利总数
112
诉讼案件数
0
法律状态/事件
未缴年费 | 权利转移
抱歉,您的浏览器不支持PDF预览,请点击链接下载PDF文件