专利数据库
统计分析
产业报告
专利数据监控
产业人才
行业动态
产业政策法规
维权援助
个人中心
详情
文本
图像
标题
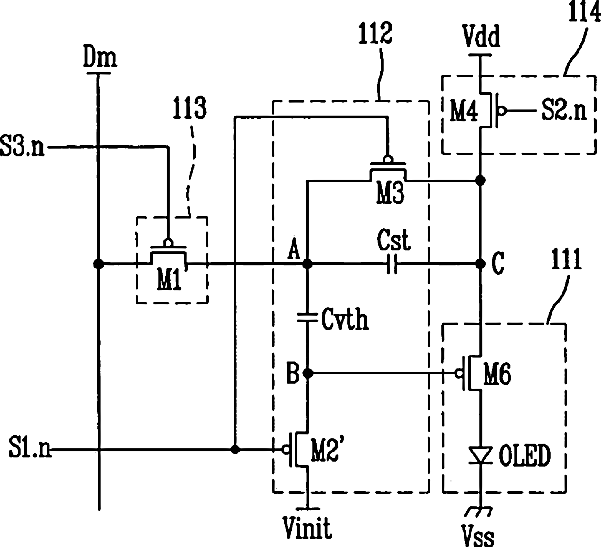
Organic light emitting diode display
授权日
2010-08-10
公开(公告)号
US7773054
申请日
2005-09-01
公开(公告)日
2010-08-10
当前申请(专利权)人
SAMSUNG DISPLAY CO., LTD.
发明人
JEONG, JIN TAE
简单同族
KR100673760B1 | KR1020060022799A | US20060066532A1 | US7773054
简单同族成员数量
4
简单同族被引用专利总数
113
诉讼案件数
0
法律状态/事件
未缴年费 | 权利转移
抱歉,您的浏览器不支持PDF预览,请点击链接下载PDF文件