专利数据库
统计分析
产业报告
专利数据监控
产业人才
行业动态
产业政策法规
维权援助
个人中心
详情
文本
图像
标题
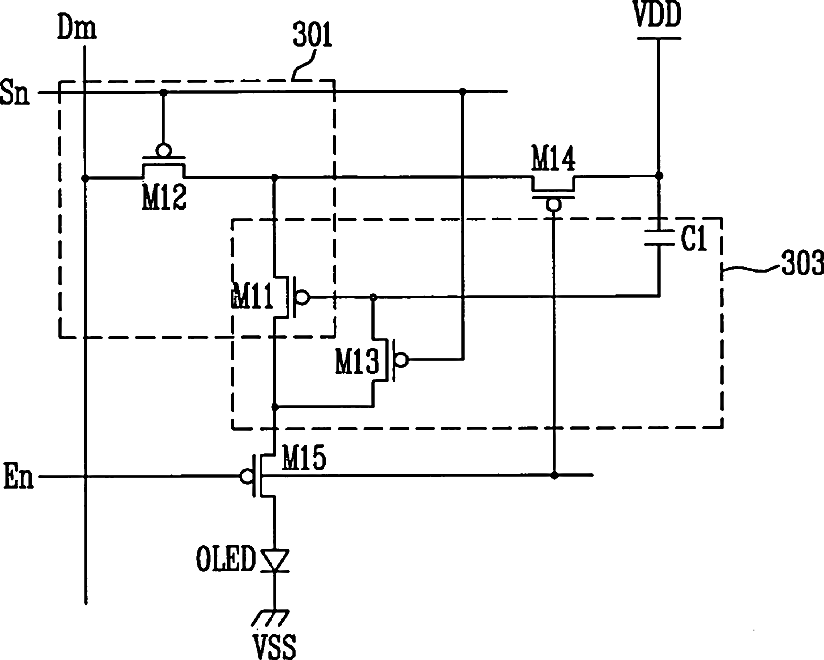
Pixel circuit and organic light emitting display using the same
授权日
1900-01-01
公开(公告)号
US20060038754A1
申请日
2005-07-20
公开(公告)日
2006-02-23
当前申请(专利权)人
SAMSUNG DISPLAY CO., LTD.
发明人
KIM, YANG WAN
简单同族
CN100378784C | CN1728219A | JP2006039544A | KR100592641B1 | KR1020060010353A | US20060038754A1 | US7508365
简单同族成员数量
7
简单同族被引用专利总数
131
诉讼案件数
0
法律状态/事件
授权 | 权利转移
抱歉,您的浏览器不支持PDF预览,请点击链接下载PDF文件