专利数据库
统计分析
产业报告
专利数据监控
产业人才
行业动态
产业政策法规
维权援助
个人中心
详情
文本
图像
标题
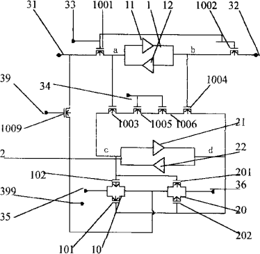
在LCOS中数据存储和数据控制显示的装置
授权日
2004-09-15
公开(公告)号
CN2641756Y
申请日
2003-05-30
公开(公告)日
2004-09-15
当前申请(专利权)人
上海华园微电子技术有限公司
发明人
黄萍 | 韩竞春 | 印义言
简单同族
CN2641756Y
简单同族成员数量
1
简单同族被引用专利总数
0
诉讼案件数
0
法律状态/事件
未缴年费
抱歉,您的浏览器不支持PDF预览,请点击链接下载PDF文件