专利数据库
统计分析
产业报告
专利数据监控
产业人才
行业动态
产业政策法规
维权援助
个人中心
详情
文本
图像
标题
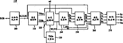
驱动液晶显示器件的装置及方法
授权日
2009-08-19
公开(公告)号
CN100530328C
申请日
2005-10-31
公开(公告)日
2009-08-19
当前申请(专利权)人
乐金显示有限公司
发明人
白钦日
简单同族
CN100530328C | CN1862646A | JP2006317898A | JP4354945B2 | KR101166827B1 | KR1020060117434A | US20060256054A1 | US8149196
简单同族成员数量
8
简单同族被引用专利总数
54
诉讼案件数
0
法律状态/事件
授权
抱歉,您的浏览器不支持PDF预览,请点击链接下载PDF文件