专利数据库
统计分析
产业报告
专利数据监控
产业人才
行业动态
产业政策法规
维权援助
个人中心
详情
文本
图像
标题
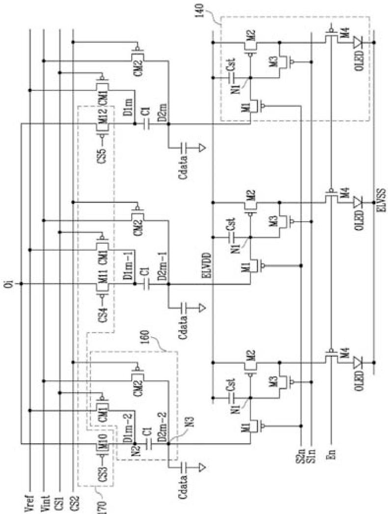
有機電界発光表示装置及びその駆動方法
授权日
1900-01-01
公开(公告)号
JP2011053635A
申请日
2009-10-29
公开(公告)日
2011-03-17
当前申请(专利权)人
三星ディスプレイ株式會社
发明人
鄭 鎭 泰
简单同族
CN102005178A | CN102005178B | EP2299430A1 | EP2299430B1 | JP2011053635A | JP5308990B2 | KR101082283B1 | KR1020110024452A | US20110050741A1 | US8723763
简单同族成员数量
10
简单同族被引用专利总数
165
诉讼案件数
0
法律状态/事件
授权 | 权利转移
抱歉,您的浏览器不支持PDF预览,请点击链接下载PDF文件