专利数据库
统计分析
产业报告
专利数据监控
产业人才
行业动态
产业政策法规
维权援助
个人中心
详情
文本
图像
标题
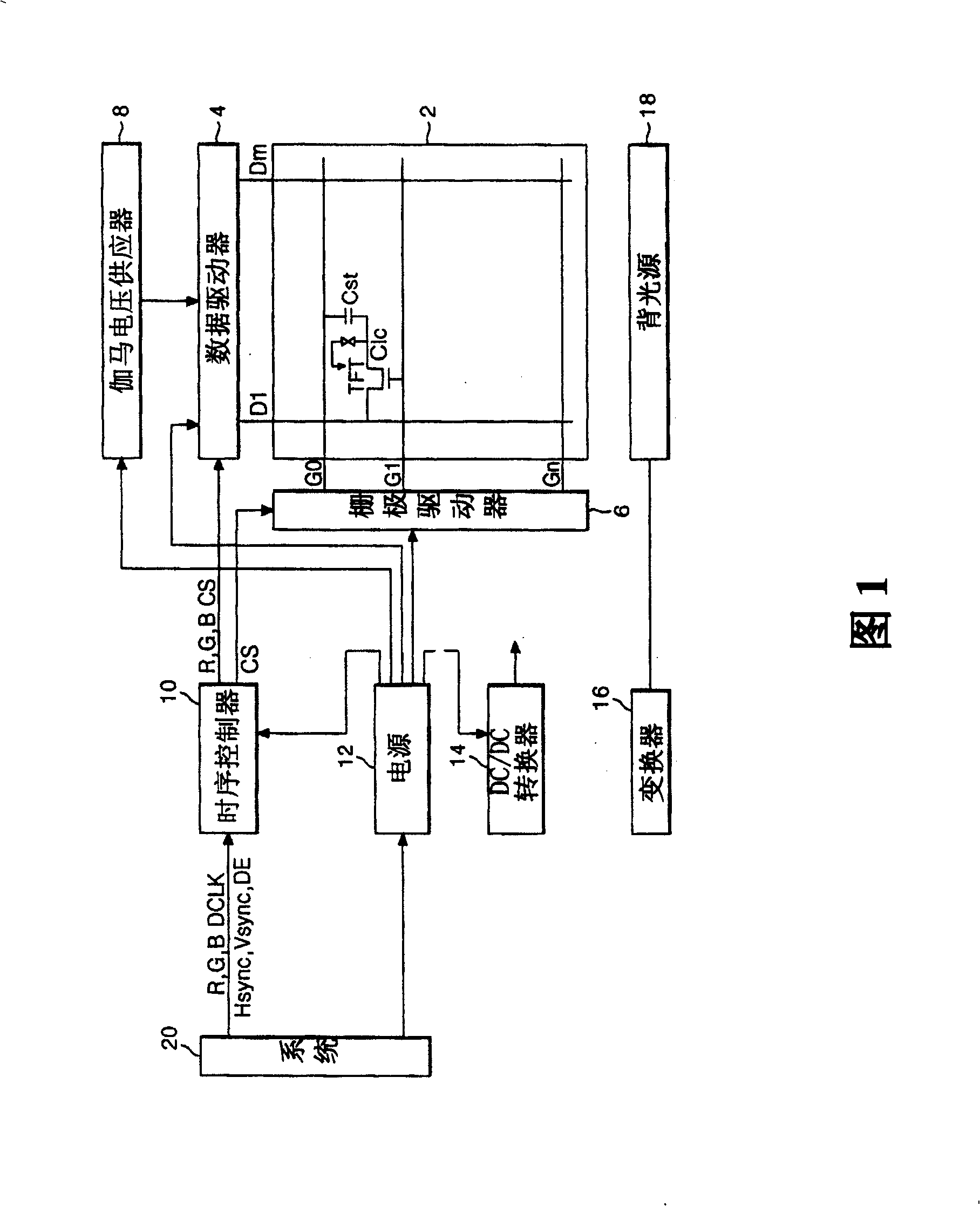
液晶显示器的驱动方法和装置
授权日
2008-10-22
公开(公告)号
CN100428321C
申请日
2004-06-28
公开(公告)日
2008-10-22
当前申请(专利权)人
乐金显示有限公司
发明人
白星豪
简单同族
CN100428321C | CN1617213A | KR100680058B1 | KR1020050046162A | US20050104827A1 | US7522135
简单同族成员数量
6
简单同族被引用专利总数
64
诉讼案件数
0
法律状态/事件
授权
抱歉,您的浏览器不支持PDF预览,请点击链接下载PDF文件