专利数据库
统计分析
产业报告
专利数据监控
产业人才
行业动态
产业政策法规
维权援助
个人中心
详情
文本
图像
标题
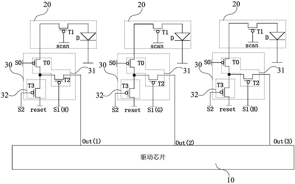
显示面板、像素电路及其驱动方法
授权日
1900-01-01
公开(公告)号
CN109389946A
申请日
2018-12-14
公开(公告)日
2019-02-26
当前申请(专利权)人
昆山国显光电有限公司
发明人
范龙飞 | 王龙彦 | 朱晖 | 韩珍珍 | 胡思明 | 吴剑龙 | 张露
简单同族
CN109389946A
简单同族成员数量
1
简单同族被引用专利总数
0
诉讼案件数
0
法律状态/事件
实质审查
抱歉,您的浏览器不支持PDF预览,请点击链接下载PDF文件