专利数据库
统计分析
产业报告
专利数据监控
产业人才
行业动态
产业政策法规
维权援助
个人中心
详情
文本
图像
标题
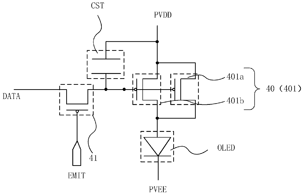
一种有机发光显示面板、及有机发光显示装置
授权日
1900-01-01
公开(公告)号
CN110299107A
申请日
2019-06-28
公开(公告)日
2019-10-01
当前申请(专利权)人
上海天马有机发光显示技术有限公司
发明人
李玥 | 周星耀 | 张蒙蒙 | 杨帅 | 刘志 | 赵哲
简单同族
CN110299107A
简单同族成员数量
1
简单同族被引用专利总数
0
诉讼案件数
0
法律状态/事件
实质审查
抱歉,您的浏览器不支持PDF预览,请点击链接下载PDF文件