专利数据库
统计分析
产业报告
专利数据监控
产业人才
行业动态
产业政策法规
维权援助
个人中心
详情
文本
图像
标题
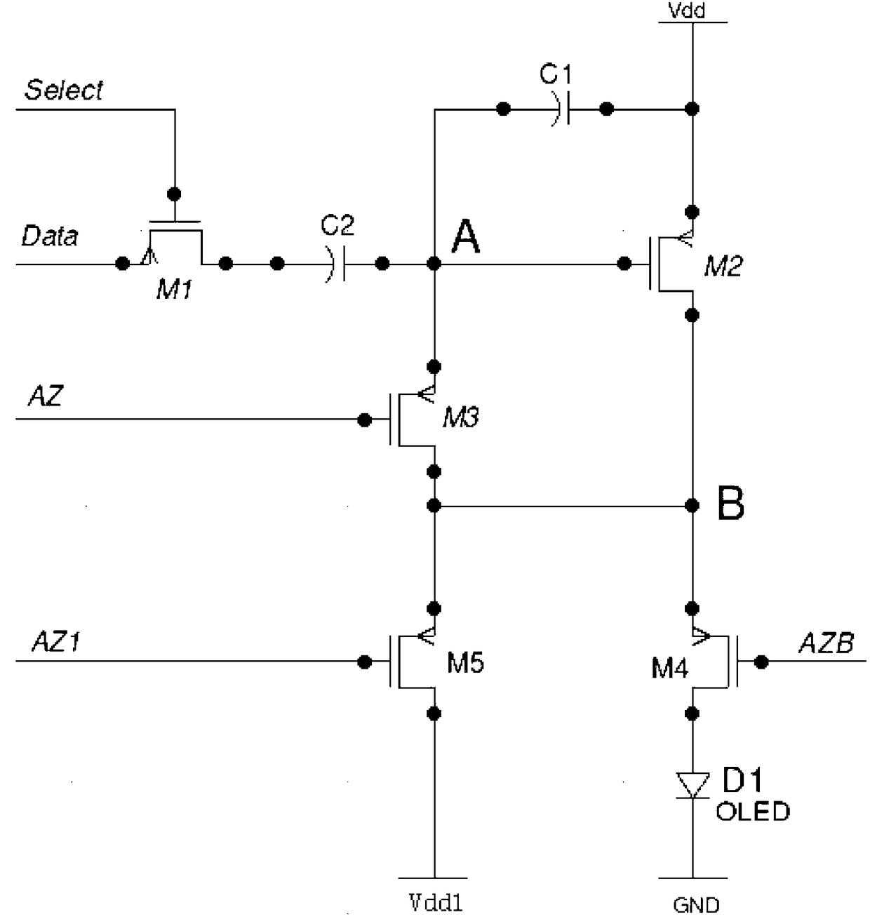
主动式有机发光二极管显示屏像素驱动电路
授权日
2013-06-12
公开(公告)号
CN202996247U
申请日
2012-12-19
公开(公告)日
2013-06-12
当前申请(专利权)人
四川虹视显示技术有限公司
发明人
周刚 | 田朝勇
简单同族
CN202996247U
简单同族成员数量
1
简单同族被引用专利总数
0
诉讼案件数
0
法律状态/事件
避重授权
抱歉,您的浏览器不支持PDF预览,请点击链接下载PDF文件