专利数据库
统计分析
产业报告
专利数据监控
产业人才
行业动态
产业政策法规
维权援助
个人中心
详情
文本
图像
标题
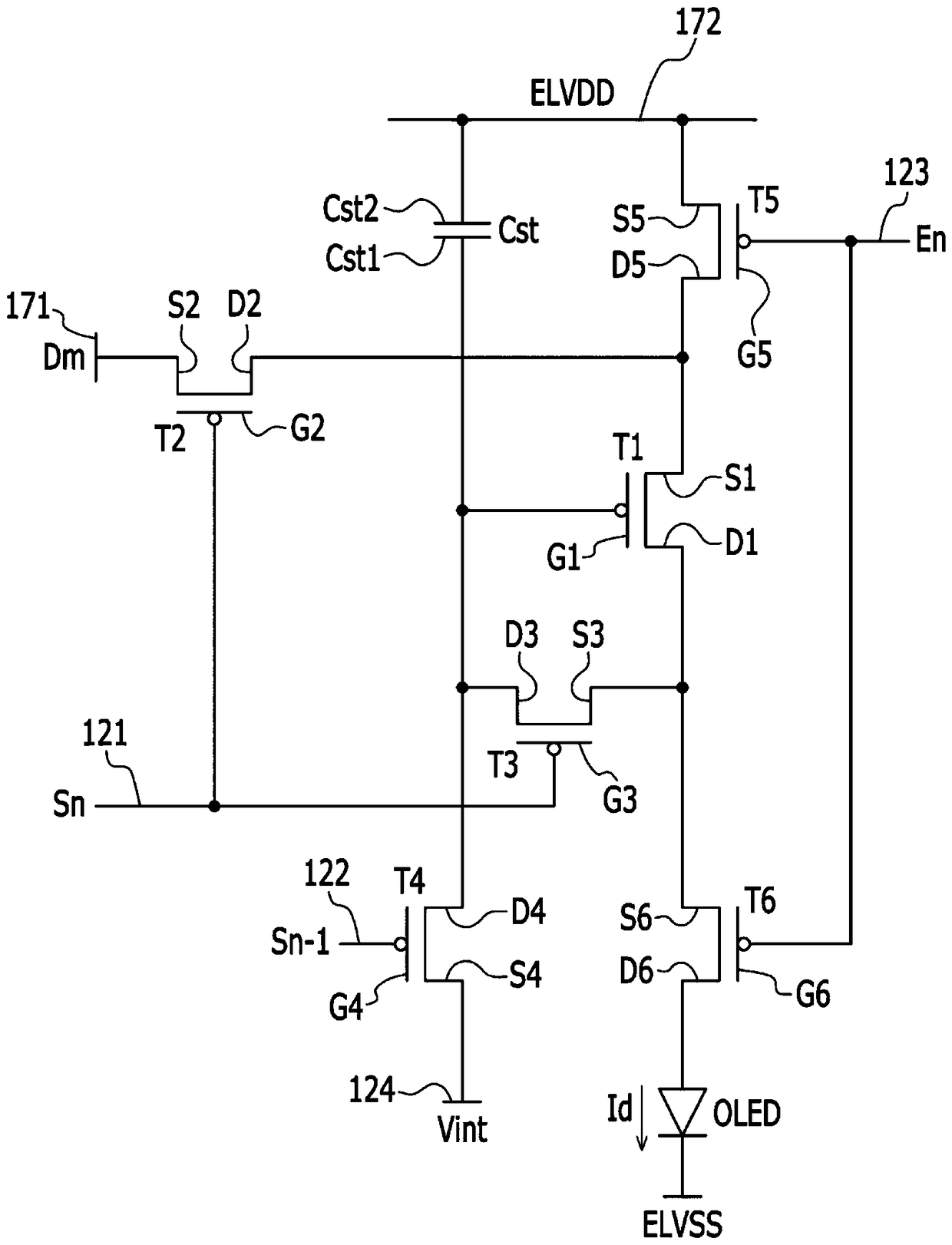
有机发光二极管显示器
授权日
2018-07-06
公开(公告)号
CN103578426B
申请日
2013-08-01
公开(公告)日
2018-07-06
当前申请(专利权)人
三星显示有限公司
发明人
金世镐 | 朴晋佑 | 李元世
简单同族
CN103578426A | CN103578426B | CN106991974A | CN106991974B | CN108735156A | EP2693481A2 | EP2693481A3 | EP2693482A2 | EP2693482A3 | JP2014032379A | JP2018036667A | JP2020073953A | JP6300445B2 | JP6585686B2 | KR101486038B1 | KR1020140018623A | TW201411832A | TWI605582B | US10204976 | US10483342 | US20140034923A1 | US20160358995A1 | US20170256601A1 | US20180175134A1 | US20190157376A1 | US20200052061A1 | US9450040 | US9660012 | US9899464
简单同族成员数量
29
简单同族被引用专利总数
146
诉讼案件数
0
法律状态/事件
授权
抱歉,您的浏览器不支持PDF预览,请点击链接下载PDF文件