专利数据库
统计分析
产业报告
专利数据监控
产业人才
行业动态
产业政策法规
维权援助
个人中心
详情
文本
图像
标题
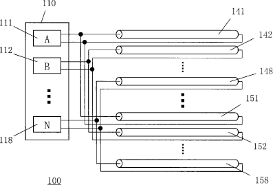
液晶显示装置的具有多重相位落差灯管组的背光模块
授权日
2008-10-15
公开(公告)号
CN201133991Y
申请日
2007-11-27
公开(公告)日
2008-10-15
当前申请(专利权)人
冠捷投资有限公司
发明人
汤竞恒 | 李吉欣
简单同族
CN201133991Y
简单同族成员数量
1
简单同族被引用专利总数
0
诉讼案件数
0
法律状态/事件
未缴年费 | 许可
抱歉,您的浏览器不支持PDF预览,请点击链接下载PDF文件