专利数据库
统计分析
产业报告
专利数据监控
产业人才
行业动态
产业政策法规
维权援助
个人中心
详情
文本
图像
标题
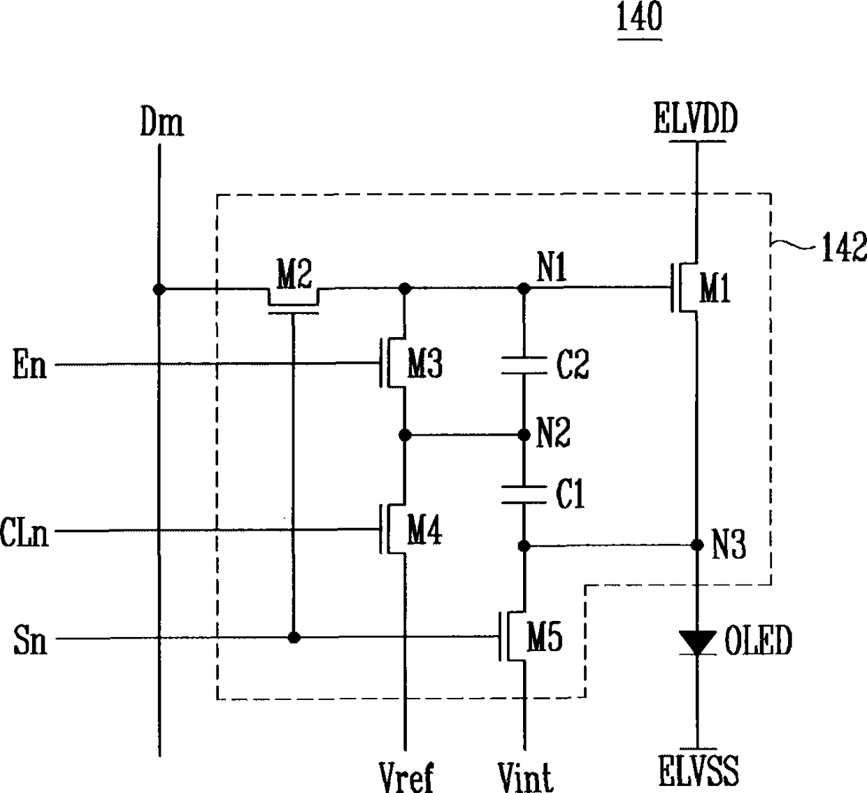
像素及使用该像素的有机发光显示器
授权日
2013-04-24
公开(公告)号
CN101908316B
申请日
2010-03-08
公开(公告)日
2013-04-24
当前申请(专利权)人
三星显示有限公司
发明人
姜哲圭 | 崔相武 | 金襟男
简单同族
AT521060T | CN101908316A | CN101908316B | EP2261884A1 | EP2261884B1 | JP2010282169A | JP5070266B2 | KR101015339B1 | KR1020100131118A | US20100309187A1 | US8786587
简单同族成员数量
11
简单同族被引用专利总数
105
诉讼案件数
0
法律状态/事件
授权 | 权利转移
抱歉,您的浏览器不支持PDF预览,请点击链接下载PDF文件