专利数据库
统计分析
产业报告
专利数据监控
产业人才
行业动态
产业政策法规
维权援助
个人中心
详情
文本
图像
标题
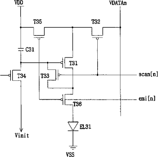
有机发光器件像素电路及其驱动方法
授权日
1900-01-01
公开(公告)号
CN1577453A
申请日
2004-07-07
公开(公告)日
2005-02-09
当前申请(专利权)人
三星显示有限公司
发明人
郑昊均 | 金阳完 | 吴春烈 | 权五敬 | 崔相武
简单同族
CN100386794C | CN1577453A | EP1496495A2 | EP1496495A3 | EP1496495A8 | EP1496495B1 | JP2005031630A | JP4391857B2 | KR100560780B1 | KR1020050005646A | US20050017934A1 | US7414599
简单同族成员数量
12
简单同族被引用专利总数
546
诉讼案件数
0
法律状态/事件
授权 | 权利转移
抱歉,您的浏览器不支持PDF预览,请点击链接下载PDF文件