专利数据库
统计分析
产业报告
专利数据监控
产业人才
行业动态
产业政策法规
维权援助
个人中心
详情
文本
图像
标题
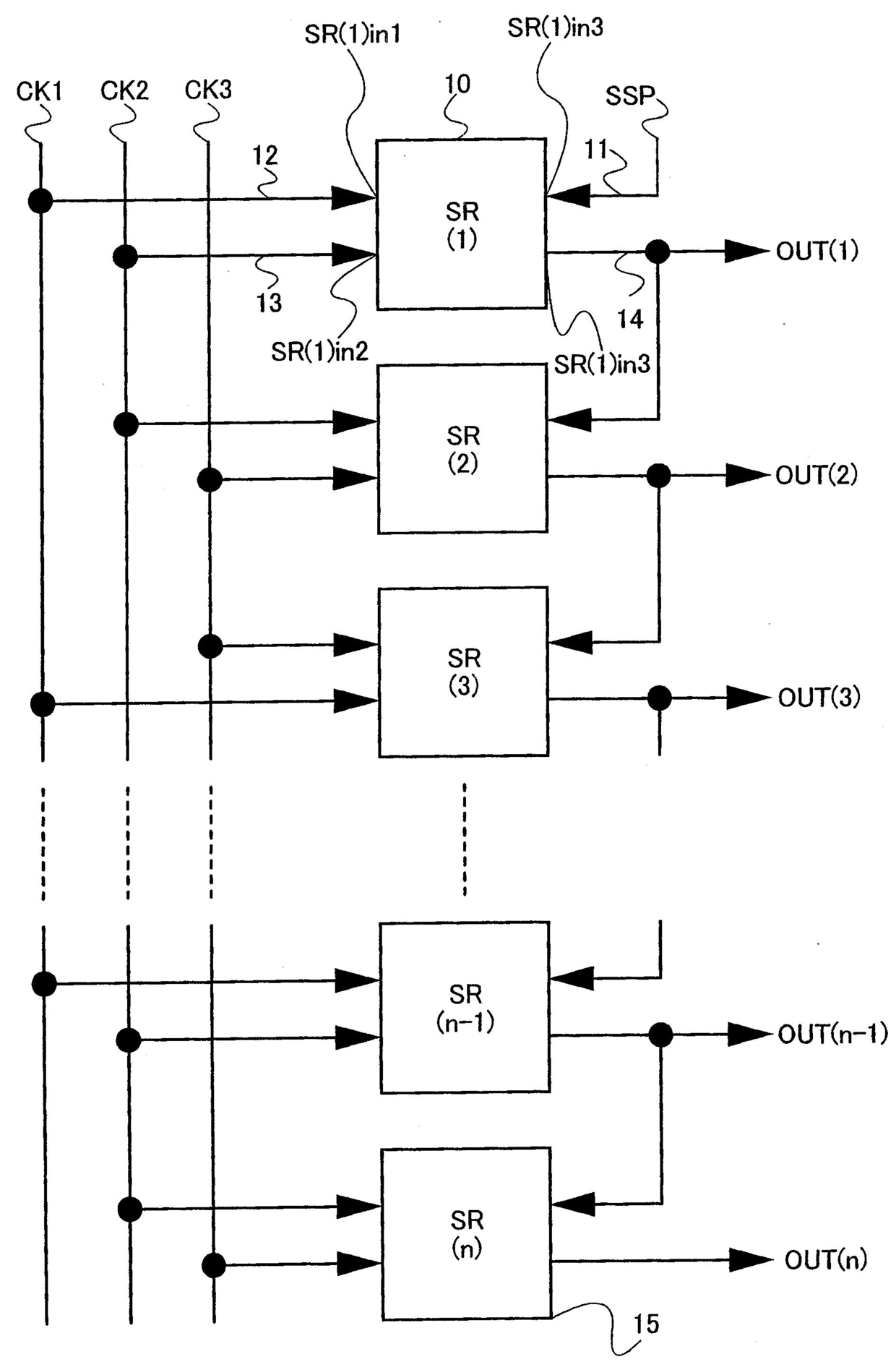
발명의 명칭 반도체 장치, 구동 회로, 표시 장치, 액정 표시 장치, 및 반도체 장치의 구동 방법
授权日
1900-01-01
公开(公告)号
KR1020130091303A
申请日
2013-07-26
公开(公告)日
2013-08-16
当前申请(专利权)人
가부시키가이샤 한도오따이 에네루기 켄큐쇼
发明人
UMEZAKI ATSUSHI
简单同族
CN102194525A | CN102194525B | CN1983450A | CN1983450B | JP2013069402A | JP2014029758A | JP2014056637A | JP2015072731A | JP2016035798A | JP2017076452A | JP2018067367A | JP2019075188A | JP2020074253A | JP5376736B2 | JP5779628B2 | JP5898751B2 | JP6154446B2 | KR101282818B1 | KR101315091B1 | KR101362690B1 | KR101373536B1 | KR1020070042484A | KR1020110122086A | KR1020130018973A | KR1020130091303A | US10311960 | US20100026619A1 | US20150325312A1 | US20170309345A1 | US20190295673A1 | US9153341 | US9646714
简单同族成员数量
32
简单同族被引用专利总数
148
诉讼案件数
0
法律状态/事件
授权
抱歉,您的浏览器不支持PDF预览,请点击链接下载PDF文件