专利数据库
统计分析
产业报告
专利数据监控
产业人才
行业动态
产业政策法规
维权援助
个人中心
详情
文本
图像
标题
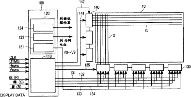
液晶显示装置及其驱动方法
授权日
2009-05-20
公开(公告)号
CN100489943C
申请日
2002-08-21
公开(公告)日
2009-05-20
当前申请(专利权)人
株式会社日本显示器
发明人
福元桃子 | 今城由博 | 武田伸宏
简单同族
CN100489943C | CN1404028A | JP2003084725A | JP3745259B2 | KR100511809B1 | KR1020030023477A | TWI226033B | US20030048248A1 | US7151518
简单同族成员数量
9
简单同族被引用专利总数
91
诉讼案件数
0
法律状态/事件
授权 | 许可 | 权利转移
抱歉,您的浏览器不支持PDF预览,请点击链接下载PDF文件