专利数据库
统计分析
产业报告
专利数据监控
产业人才
行业动态
产业政策法规
维权援助
个人中心
详情
文本
图像
标题
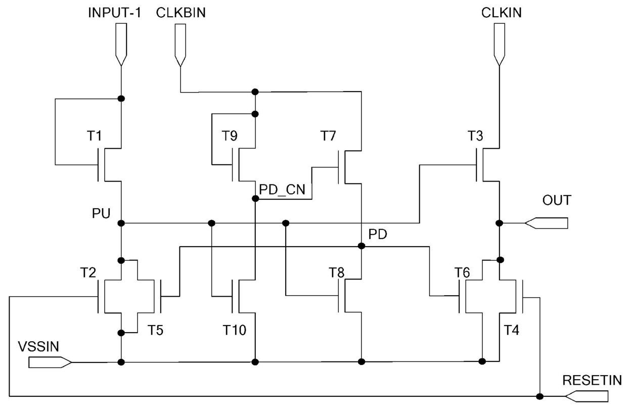
쉬프트 레지스터 유닛 및 액정 디스플레이의 게이트 구동 장치
授权日
1900-01-01
公开(公告)号
KR1020110025630A
申请日
2010-09-03
公开(公告)日
2011-03-10
当前申请(专利权)人
베이징 비오이 옵토일렉트로닉스 테크놀로지 컴퍼니 리미티드
发明人
샹광리앙 | 한승우
简单同族
CN102012591A | CN102012591B | JP2011060411A | JP5936812B2 | KR101195440B1 | KR1020110025630A | US20110058640A1 | US8199870
简单同族成员数量
8
简单同族被引用专利总数
197
诉讼案件数
0
法律状态/事件
授权 | 权利转移
抱歉,您的浏览器不支持PDF预览,请点击链接下载PDF文件