专利数据库
统计分析
产业报告
专利数据监控
产业人才
行业动态
产业政策法规
维权援助
个人中心
详情
文本
图像
标题
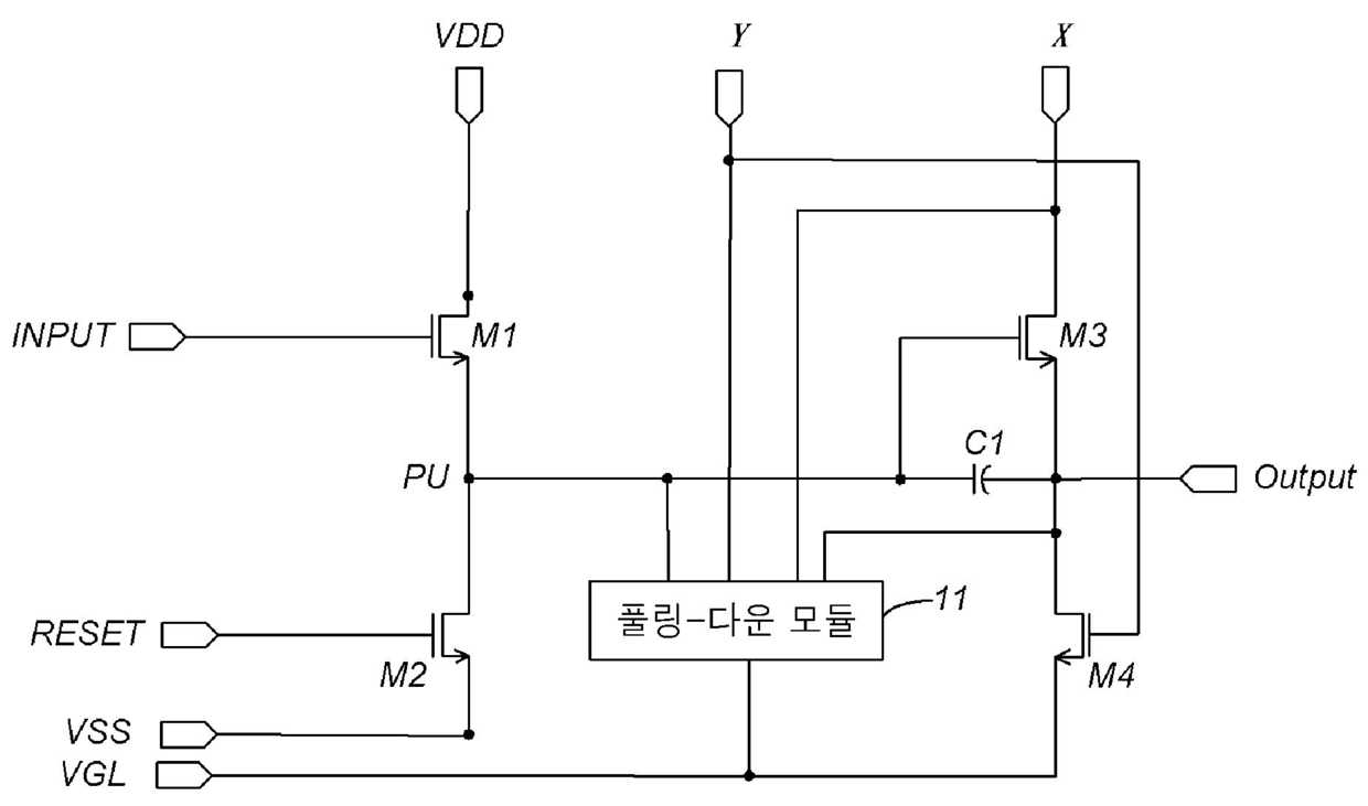
게이트 드라이버 온 어레이, 시프팅 레지스터 및 디스플레이 스크린
授权日
2014-09-16
公开(公告)号
KR101443126B1
申请日
2012-08-21
公开(公告)日
2014-09-22
当前申请(专利权)人
베이징 비오이 옵토일렉트로닉스 테크놀로지 컴퍼니 리미티드
发明人
쳔시
简单同族
CN102629444A | CN102629444B | EP2750122A1 | EP2750122A4 | JP2014524598A | JP6227530B2 | KR101443126B1 | KR1020130043637A | US20130088265A1 | WO2013026387A1
简单同族成员数量
10
简单同族被引用专利总数
117
诉讼案件数
0
法律状态/事件
授权
抱歉,您的浏览器不支持PDF预览,请点击链接下载PDF文件