专利数据库
统计分析
产业报告
专利数据监控
产业人才
行业动态
产业政策法规
维权援助
个人中心
详情
文本
图像
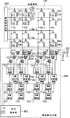
标题
液晶面板驱动器
授权日
1900-01-01
公开(公告)号
CN1444201A
申请日
2003-03-13
公开(公告)日
2003-09-24
当前申请(专利权)人
松下电器产业株式会社
发明人
西和义 | 伊达义人
简单同族
CN1311420C | CN1444201A | DE60332408D1 | EP1345203A1 | EP1345203B1 | JP2003271105A | JP3820379B2 | KR100900606B1 | KR1020030074402A | TW200305133A | TWI255436B | US20030174119A1 | US20060232542A1 | US20100253669A1 | US7084852 | US7764260 | US8035602
简单同族成员数量
17
简单同族被引用专利总数
72
诉讼案件数
0
法律状态/事件
未缴年费
抱歉,您的浏览器不支持PDF预览,请点击链接下载PDF文件