专利数据库
统计分析
产业报告
专利数据监控
产业人才
行业动态
产业政策法规
维权援助
个人中心
详情
文本
图像
标题
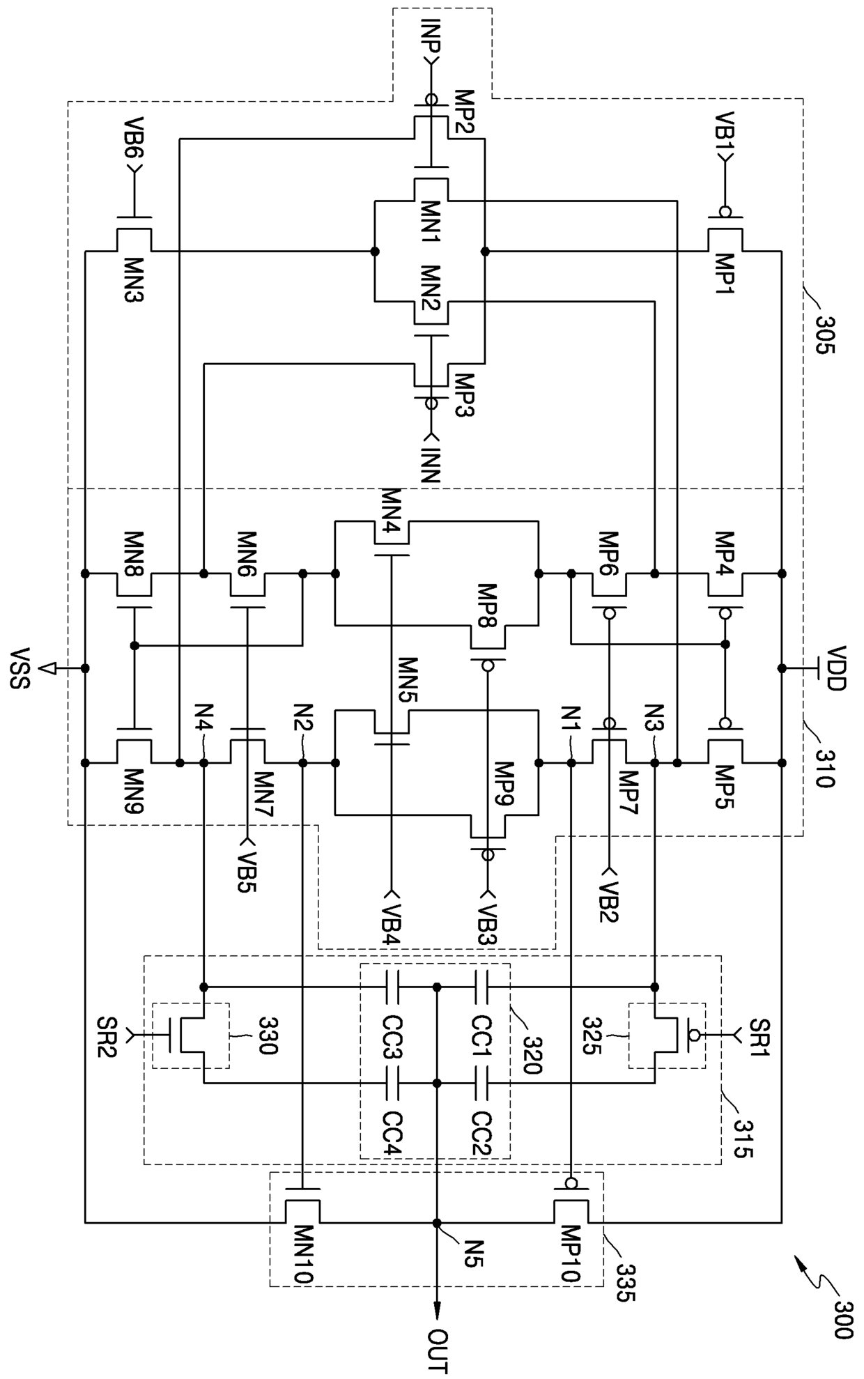
높은 슬루 레이트를 가지는 액정 표시 장치에 포함된 소스드라이버의 출력 버퍼 및 출력 버퍼의 제
授权日
2007-03-20
公开(公告)号
KR100699829B1
申请日
2004-12-09
公开(公告)日
2007-03-27
当前申请(专利权)人
삼성전자주식회사
发明人
AN,CHANGHO
简单同族
KR100699829B1 | KR1020060064941A | TW200620229A | TWI277054B | US20060125759A1 | US20110063200A1 | US7859505 | US8081150
简单同族成员数量
8
简单同族被引用专利总数
68
诉讼案件数
0
法律状态/事件
未缴年费
抱歉,您的浏览器不支持PDF预览,请点击链接下载PDF文件