专利数据库
统计分析
产业报告
专利数据监控
产业人才
行业动态
产业政策法规
维权援助
个人中心
详情
文本
图像
标题
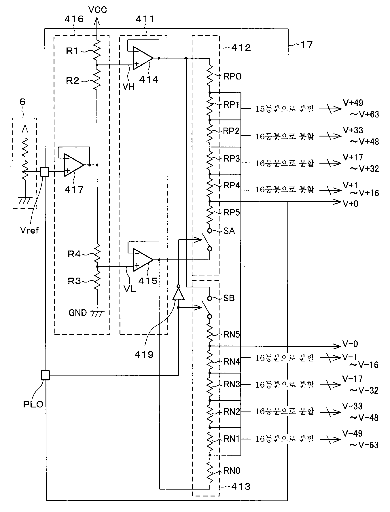
표시 구동 장치 및 그것을 이용한 표시 장치
授权日
1900-01-01
公开(公告)号
KR1020030084728A
申请日
2003-04-24
公开(公告)日
2003-11-01
当前申请(专利权)人
샤프 가부시키가이샤
发明人
SAKAGUCHI,NOBUHISA
简单同族
CN1265335C | CN1453758A | JP2003316333A | JP4108360B2 | KR100536871B1 | KR1020030084728A | TW200405241A | TWI223224B | US20030201959A1 | US7307610
简单同族成员数量
10
简单同族被引用专利总数
124
诉讼案件数
0
法律状态/事件
授权
抱歉,您的浏览器不支持PDF预览,请点击链接下载PDF文件