专利数据库
统计分析
产业报告
专利数据监控
产业人才
行业动态
产业政策法规
维权援助
个人中心
详情
文本
图像
标题
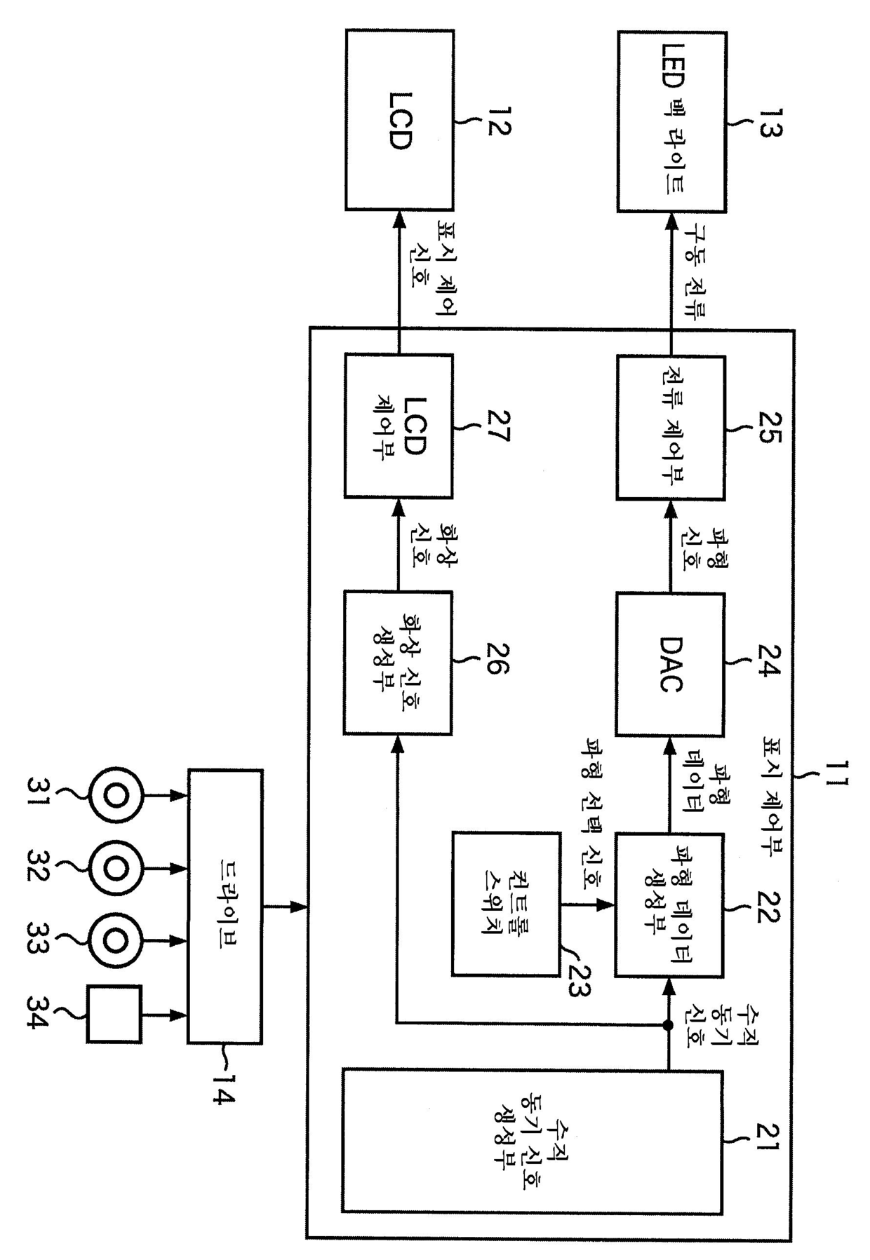
표시 장치 및 방법, 기록 매체, 및 프로그램
授权日
1900-01-01
公开(公告)号
KR1020070032617A
申请日
2005-06-21
公开(公告)日
2007-03-22
当前申请(专利权)人
소니 주식회사
发明人
KUROKI, YOSHIHIKO
简单同族
CN100463040C | CN101425263A | CN101425263B | CN101452672A | CN101452672B | CN1842840A | EP1770681A1 | EP1770681A4 | EP2500897A1 | JP2006030826A | JP4337673B2 | KR101139573B1 | KR1020070032617A | MXPA06002982A | TW200614123A | TW200926104A | TW200926105A | TWI324330B | TWI324331B | TWI338271B | US20070063961A1 | US20120256818A1 | WO2006008903A1
简单同族成员数量
23
简单同族被引用专利总数
66
诉讼案件数
0
法律状态/事件
未缴年费
抱歉,您的浏览器不支持PDF预览,请点击链接下载PDF文件