专利数据库
统计分析
产业报告
专利数据监控
产业人才
行业动态
产业政策法规
维权援助
个人中心
详情
文本
图像
标题
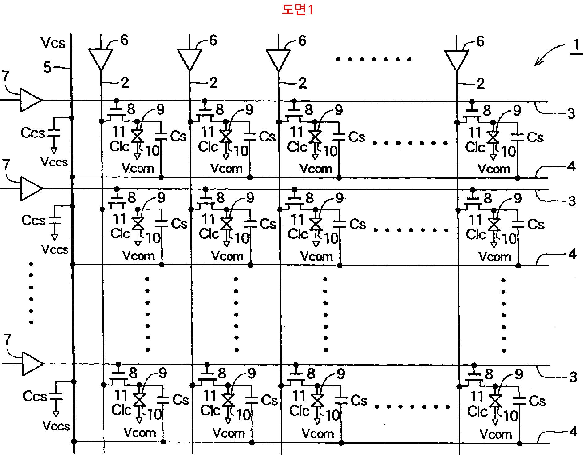
액정 표시 패널
授权日
1900-01-01
公开(公告)号
KR1020030060052A
申请日
2002-10-10
公开(公告)日
2003-07-12
当前申请(专利权)人
샤프 가부시키가이샤
发明人
가이쯔또무
简单同族
CN1251171C | CN1430199A | JP2003202592A | JP3992984B2 | KR100812479B1 | KR1020030060052A | TWI307074B | US20030128306A1 | US6873378
简单同族成员数量
9
简单同族被引用专利总数
51
诉讼案件数
0
法律状态/事件
放弃
抱歉,您的浏览器不支持PDF预览,请点击链接下载PDF文件