首页
专利数据库
产业人才
行业动态
产业政策法规
维权援助
个人中心
登录/注册
详情
文本
图像
标题:
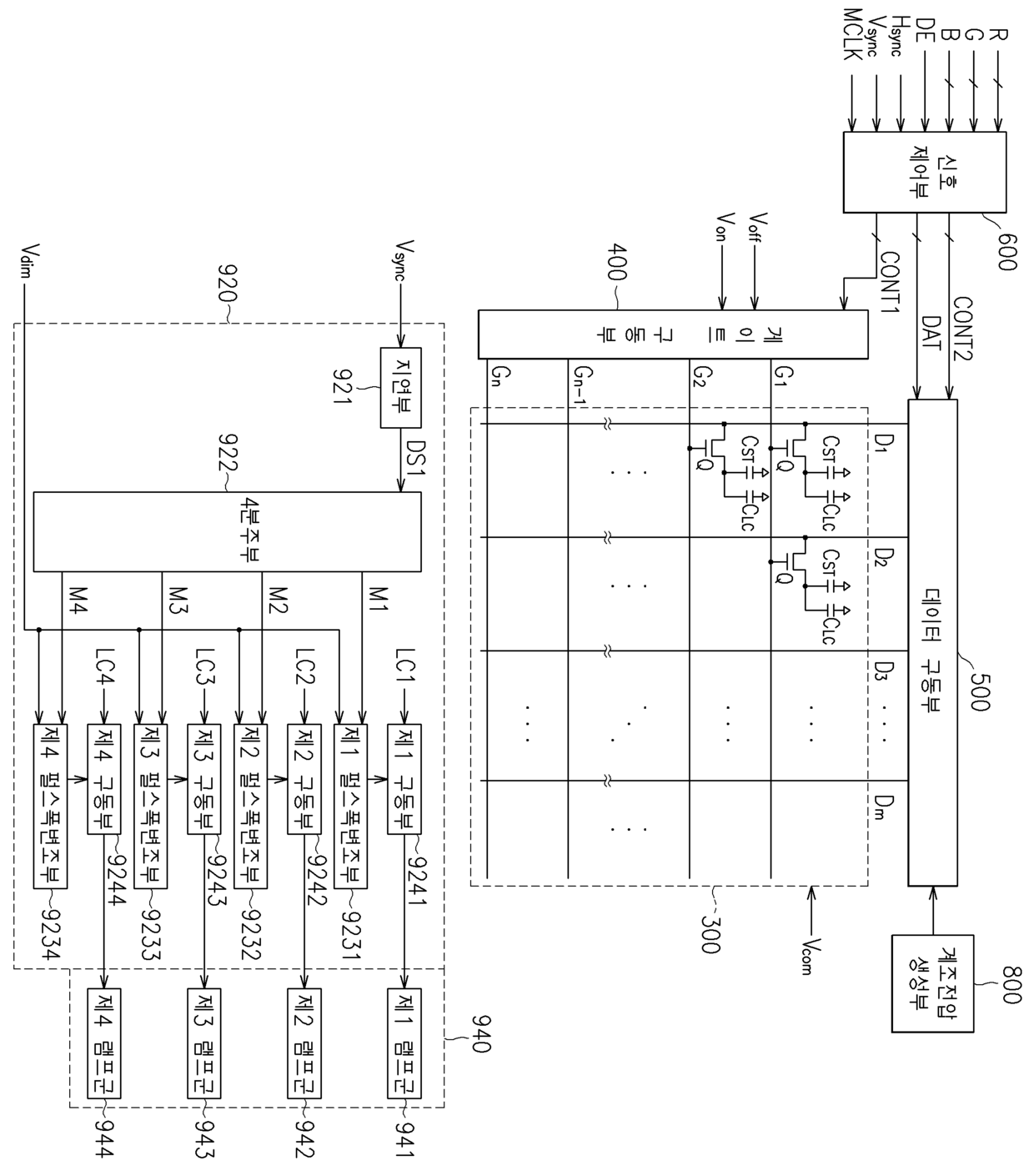
액정 표시 장치 및 표시 장치용 광원의 구동 장치
授权日:
1900-01-01
公开(公告)号:
KR1020050077508A
申请日:
2004-01-27
公开(公告)日:
2005-08-03
当前申请(专利权)人:
삼성전자주식회사
发明人:
장현룡 | 김민규
简单同族:
KR1020050077508A
简单同族成员数量:
1
简单同族被引用专利总数:
0
诉讼案件数:
0
法律状态/事件:
撤回