首页
专利数据库
产业人才
行业动态
产业政策法规
维权援助
个人中心
登录/注册
详情
文本
图像
标题:
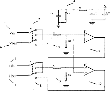
一种船用雷达液晶显示屏驱动板改进电路
授权日:
2010-10-27
公开(公告)号:
CN201616257U
申请日:
2010-02-03
公开(公告)日:
2010-10-27
当前申请(专利权)人:
王剑 | 胡志强
发明人:
王剑 | 胡志强
简单同族:
CN201616257U
简单同族成员数量:
1
简单同族被引用专利总数:
0
诉讼案件数:
0
法律状态/事件:
未缴年费