标题:
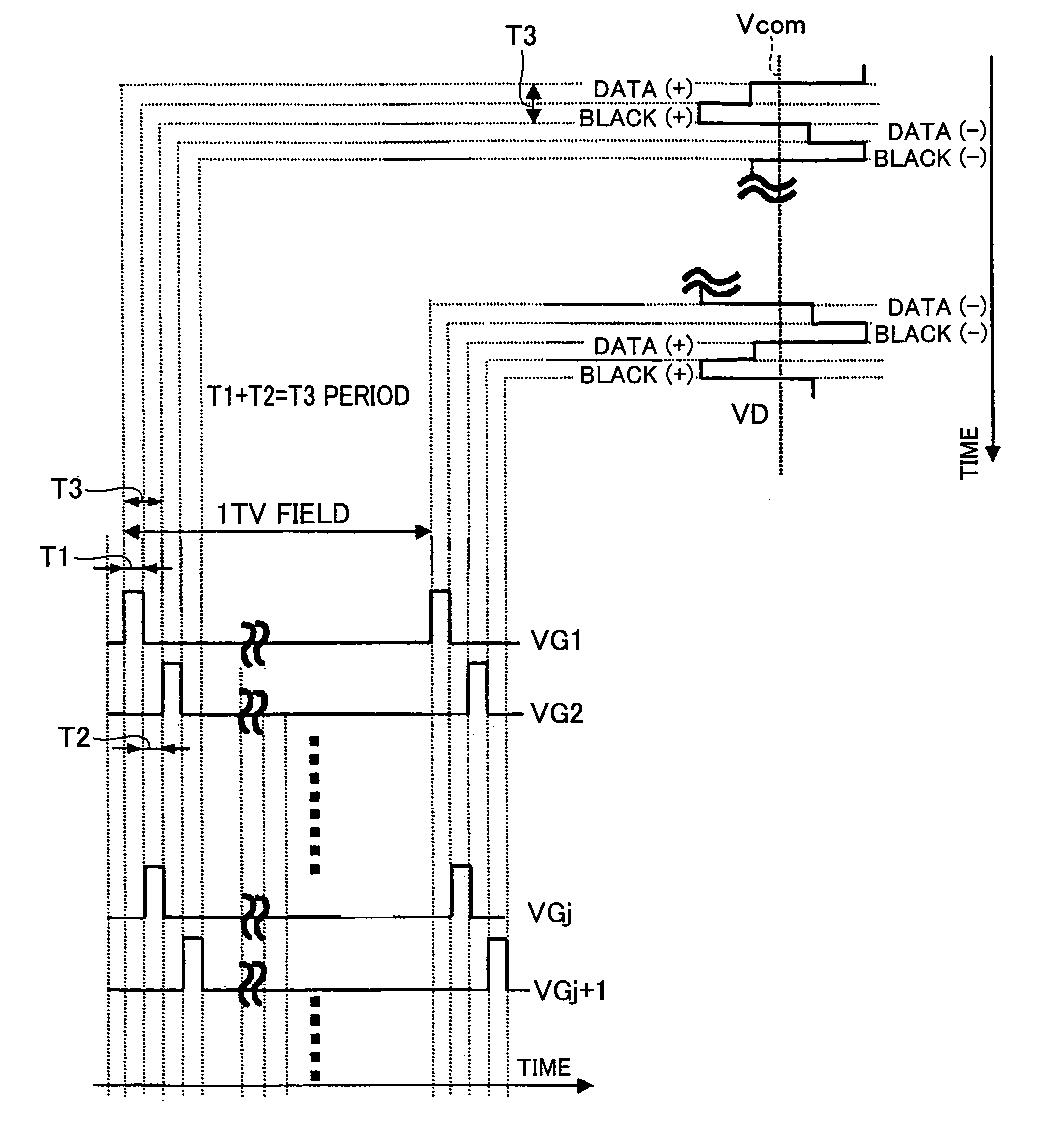
Liquid crystal display
授权日:
2011-03-22
公开(公告)号:
US7911430
申请日:
2004-01-30
公开(公告)日:
2011-03-22
当前申请(专利权)人:
SHARP KABUSHIKI KAISHA
发明人:
FUJINE, TOSHIYUKI
简单同族:
CN100545899C | CN1759434A | EP1600928A1 | EP1600928A4 | JP4397890B2 | JPWO2004070697A1 | KR100717229B1 | KR1020050097968A | TW200425036A | TWI254902B | US20060158410A1 | US7911430 | WO2004070697A1
简单同族成员数量:
13
简单同族被引用专利总数:
77
诉讼案件数:
0
法律状态/事件:
授权 | 权利转移