首页
专利数据库
产业人才
行业动态
产业政策法规
维权援助
个人中心
登录/注册
详情
文本
图像
标题:
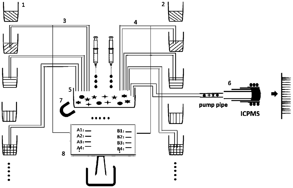
一种任意组合式免疫多组份检测方法及装置
授权日:
2017-12-19
公开(公告)号:
CN105301090B
申请日:
2015-11-03
公开(公告)日:
2017-12-19
当前申请(专利权)人:
清华大学
发明人:
张新荣 | 孙公伟 | 邢志 | 张四纯
简单同族:
CN105301090A | CN105301090B
简单同族成员数量:
2
简单同族被引用专利总数:
0
诉讼案件数:
0
法律状态/事件:
授权