首页
专利数据库
产业人才
行业动态
产业政策法规
维权援助
个人中心
登录/注册
详情
文本
图像
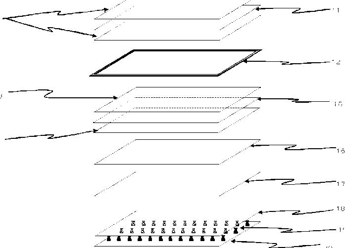
标题:
液晶表示装置
授权日:
1900-01-01
公开(公告)号:
JP2007212831A
申请日:
2006-02-10
公开(公告)日:
2007-08-23
当前申请(专利权)人:
日本ゼオン株式会社
发明人:
荒川 公平 | 堀 登志彦 | 奥出 修平 | 原口 学
简单同族:
JP2007212831A
简单同族成员数量:
1
简单同族被引用专利总数:
0
诉讼案件数:
0
法律状态/事件:
撤回