首页
专利数据库
产业人才
行业动态
产业政策法规
维权援助
个人中心
登录/注册
详情
文本
图像
标题:
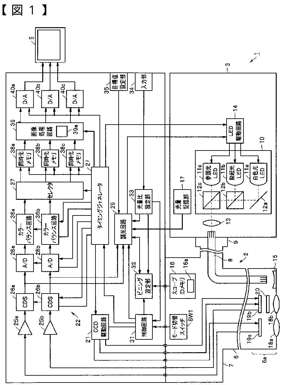
内視鏡装置および内視鏡装置の作動方法
授权日:
2013-09-06
公开(公告)号:
JP5355799B2
申请日:
2012-04-02
公开(公告)日:
2013-11-27
当前申请(专利权)人:
オリンパスメディカルシステムズ株式会社
发明人:
武井 俊二 | 道口 信行
简单同族:
CN103491847A | CN103491847B | EP2679137A1 | EP2679137A4 | EP2679137B1 | JP5355799B2 | JPWO2012169270A1 | US20130096376A1 | US8721532 | WO2012169270A1
简单同族成员数量:
10
简单同族被引用专利总数:
61
诉讼案件数:
0
法律状态/事件:
授权 | 权利转移