首页
专利数据库
产业人才
行业动态
产业政策法规
维权援助
个人中心
登录/注册
详情
文本
图像
标题:
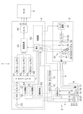
医療装置
授权日:
1900-01-01
公开(公告)号:
JP2009034224A
申请日:
2007-07-31
公开(公告)日:
2009-02-19
当前申请(专利权)人:
オリンパスメディカルシステムズ株式会社
发明人:
矢部 雄亮 | 戸田 真人 | 小林 至峰 | 大森 浩司 | 山下 真司 | 菅 武志 | 金子 和真
简单同族:
EP2020202A2 | EP2020202A3 | EP2020202B1 | EP2020202B9 | JP2009034224A | US20090036743A1 | US8231526
简单同族成员数量:
7
简单同族被引用专利总数:
104
诉讼案件数:
0
法律状态/事件:
驳回