首页
专利数据库
产业人才
行业动态
产业政策法规
维权援助
个人中心
登录/注册
详情
文本
图像
标题:
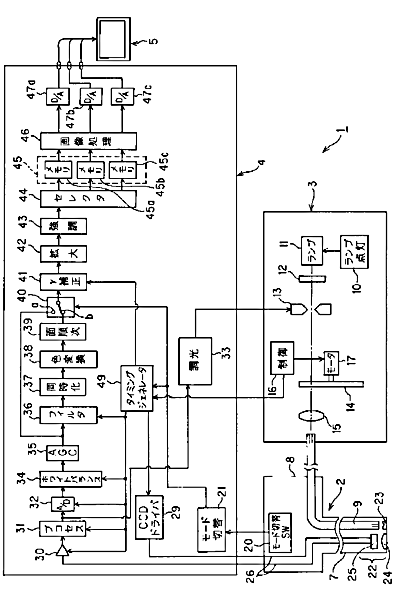
生体観察装置
授权日:
1900-01-01
公开(公告)号:
JP2007236415A
申请日:
2006-03-03
公开(公告)日:
2007-09-20
当前申请(专利权)人:
オリンパスメディカルシステムズ株式会社
发明人:
山▲崎▼ 健二 | 後野 和弘
简单同族:
BRPI0621380A2 | CN101336087A | CN101336087B | EP1992270A1 | EP1992270A4 | EP1992270B1 | JP2007236415A | JP5057675B2 | KR101009559B1 | KR1020080102241A | US20080306338A1 | WO2007099681A1
简单同族成员数量:
12
简单同族被引用专利总数:
48
诉讼案件数:
0
法律状态/事件:
授权 | 权利转移