首页
专利数据库
产业人才
行业动态
产业政策法规
维权援助
个人中心
登录/注册
详情
文本
图像
标题:
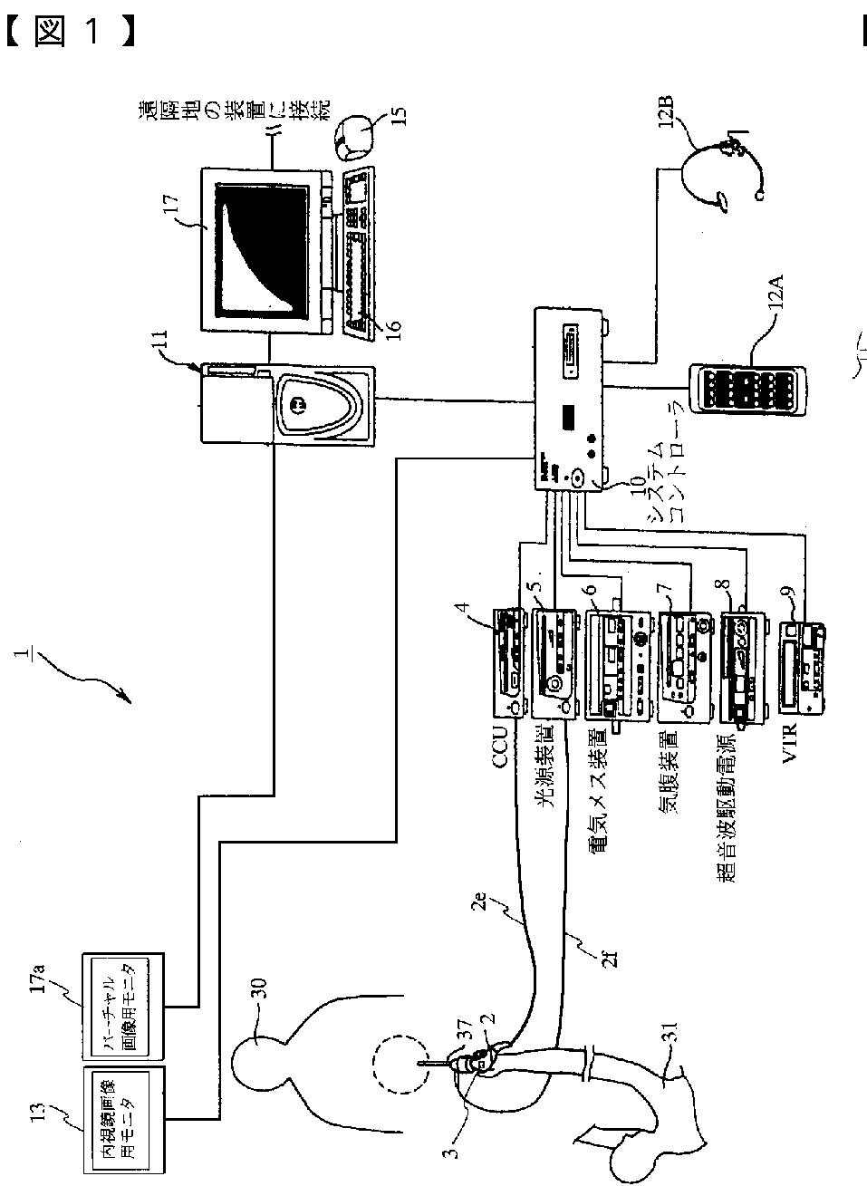
手技支援システム
授权日:
2011-03-11
公开(公告)号:
JP4698966B2
申请日:
2004-03-29
公开(公告)日:
2011-06-08
当前申请(专利权)人:
オリンパス株式会社
发明人:
尾崎 孝史 | 内久保 明伸 | 田代 浩一 | 中村 剛明
简单同族:
JP2005278888A | JP4698966B2 | US20050215854A1 | US7940967
简单同族成员数量:
4
简单同族被引用专利总数:
79
诉讼案件数:
0
法律状态/事件:
授权 | 权利转移